ぱっぷす令和3年の闇③会計帳簿編
ひ「どうも、認知プロファイリング探偵暇空茜です」
な「助手のなるこです」
ひ「では今回は令和3年若年被害女性支援事業WBPC資料のラスト、ぱっぷすの会計帳簿を見たいと思います」
な「あれだけの無茶苦茶な実施状況報告書からいって嫌な予感しかしねえんですよ」
ひ「会計ってのは帳簿とかを入力し数値を突き合わせてやっと意味が読めてくるものだよね。僕もこの分野は素人だから大変だよ」
な「あ、じゃあ出来るまで時間かかりそうなので一旦帰りますね」
ひ「提出された第1四半期~第3四半期と通期の実施状況報告書と、事業全体の報告書から数値を入力し、第4四半期の数値を逆算したものがこちらです」
な「もうやだ!いきなりマイナス会計と黄色いところできてる!キュー○ー3分チェッキング!」
ひ「まず業務委託費4,439,000円が謎すぎる。若草プロジェクトが朝日新聞系列の広告代理店㈱朝日エルに業務委託してたけど、ぱっぷすもそういう感じなのかな?必要なはずの再委託承諾書みたいなのはなかったけど。あと、いつもの通り、魔の第4四半期にマイナス会計が出現してますね。なにか売ったのかな?古物商許可とってある?」
な「多分そういう話じゃないですよ。この黄色いところはなんですか?もう数値でだいたいわかりますけど」
ひ「間違いがあってはいけないから元書類をそのまま出すけど
これが通期実施報告書で
こちらが「ぱっぷすの事業全体の事業報告書」だよ。水道光熱費と通信運搬費のところみて」
な「・・・・・・・・・・・・・あれっ?おかしいな、めがねめがね・・・」
ひ「メガネならそこにあるでしょ。見間違いじゃないよ。全体の事業報告よりも多い水道光熱費と通信運搬費が申請されて公金から支払われてると思う」
な「ゆりこ・・・?」
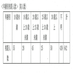
ひ「あと、活動のほうの人数も変で、同じように第1四半期から第3四半期の相談人数年齢別を表にして、魔の第4四半期を計算してみたのがこれ。」
な「ぴゃああああああああああああああああああああああああああああああああああああああああああああああああああああああああああああああああああ!!!人数がマイナスになってるううううう!!」
ひ「これが書類ね」
な「えーとえーと・・・あってますね・・・相談人数マイナス?あっ!わかりました!女の子に声をかけてみたけど、女の子の方が人生経験が豊富で、相談に乗ってもらったんですよ!100回くらい!これで計算があいます」
ひ「知らない。年齢不明が642人中439人、68%が年齢不明ってさ、相談にのって年齢すら聞けないって、例の自演にしか思えない知恵袋アウトリーチとかTwitterアウトリーチカウントしてるんじゃないの?」
な「認知プロファイリングハラスメント!!!!」
な「あー怖かった。でも会計と相談件数の両方みたからこれでおしまいですね。お疲れ様でした、あとはよろしくお願いします」
ひ「まだおわりじゃないぞ」
な「・・・・・・・え?」
ひ「これが第1四半期の実施状況報告書」
な「はい、これさっき見たやつですよね?」
ひ「で、こちらが「2022年2月10日に開催された評価委員会で提出された、ぱっぷすの、会計部分の数字が違う、2枚目の、裏第1四半期実施状況報告書」だ」
な「え?え?え?ちょっとまってください、どっちも日付は7月20日ですよ?えっ?」
ひ「”活動報告書は「2枚」あったッ!”」
な「あっ!じゃあこれ2枚めの活動報告書が正しいんじゃないですか?ねっねっ?これだと第4四半期が合うんですよ!」
ひ「裏第1四半期でも第4四半期はマイナスだよ」
な「ダメだあ(泣)」
ひ「それに、この実施状況報告書は、公文書として開示されたもの。もし書面訂正がきちんとされてるなら、1枚目が正しいものに差し替わってるはずだよ?」
な「もうダメだあ(泣)」
ひ「あとこの裏報告書のほうさ、第1四半期報告書(4,5,6月)なのに7月の会計書かれてて笑うよね。全てが無茶苦茶でワロタ」
な「もう本当にダメだこれ(泣)」
ひ「でさ、7月になるまでノーパソもルーターも買ってないの笑うよね。6月中頃オンラインアウトリーチ開始って書いてあるけど、ルーターもノーパソもなしでそれまで何してたんだ?たしかに7月から本格始動って書いてあるけどさ。それまではスマホからポチポチしてただけか?仕事なめてる?」
な「ロジカルハラスメント!!!」
ひ「えーぱっぷすの令和3年は以上です。いかがでしたか?」
な「とりあえずこの年に納めた住民税返してほしいです」
ひ「これまで令和3年度の若年被害女性等支援事業について見てきました。住民監査請求監査で勧告が出たColabo以外のWBPについても、いかに酷い内容であるかはおわかりいただけたと思います。これらについて、僕は、きっちりと、住民監査請求や住民訴訟を行い、困難女性支援新法やAV新法を作ってきたWBPC全ての活動の真実を追及したいと思います。また進展がありましたらご報告します」
な「そろそろ助手に危険手当付けてもらえませんか?」
ひ「それではまた、次回お会いしましょう」



コメント
5PCやプリンタ、カメラなどは「購入」ではなく、リースが適切かと思いますがね。東京都はこういった「備品」の返却手続きをしているのでしょうかね?
需用費と言う仕分けは理解出来ない。誰かに聞いてみて。PCプリンタは消耗品に非ず。固定資産になって減価償却費に組み入れる性格。減価償却費の項目もあり85万も計上してる。2重計上の疑い。消耗品費も異様な金額。通期で25万程度じゃない?600万って軽自動車を毎期潰して捨ててる感じ?貰って帰る人が居たりして。オレも欲しい。
これからは本格的な憶測。本来NPO法人は福祉に寄与する団体として課税されない。だから起業しやすいと言う建前。会計処理も素人が始めるから、事務処理の遅れが起きがち。そこで、第4四半期は通年処理報告後、事後添付可能?なーんて内々の取り決めがありそう。だからみんなその穴を大いに利用してたんじゃ無いか?まさか、本気で数字チェックされるとは夢にも思わなかっただろう。 凄いぞ!暇空! ガンバレ!
発達障害支援法も構造は同じ? 皆さん
創価学会の発達障害支援法がらみtosukaその他もヨロシクね。
注:殺人事件ってトー横殺人の被害者と面識があったと言う事でしょ?
創価学会の発達障害支援法の謎も是非 詳しくは 発達障害新聞SSブログ
都からの事業費には消費税(仮受消費税)も支払われていて
人件費(給与)の額が大きいと給与に仮払消費税が無い為
納めるべき消費税が高額になるのに報告書に無いのが不思議ですね
他の事業者の報告書も納付した消費税額が無いのは変だと思ったのですが