August 13, 2010

【KiCad】複数ページの回路図

 あなたがEAGLEとか他のPCBCadを使わずに,KiCadを選択する理由って何ですか?
 私はその理由の一つに,「無料で複数ページにわたる回路図が引けるから」ってのを挙げます.

 そろそろ私もMake Tokyo Meetingとか,モノ作り系のコミュニティに出ておかないといけないかな~ってことで,一つ作ることにしました.PCBCadにはKiCadを選択.ちょっと大きくて,EAGLEだと足りなかった.


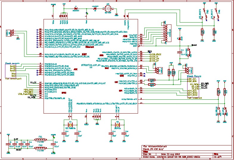
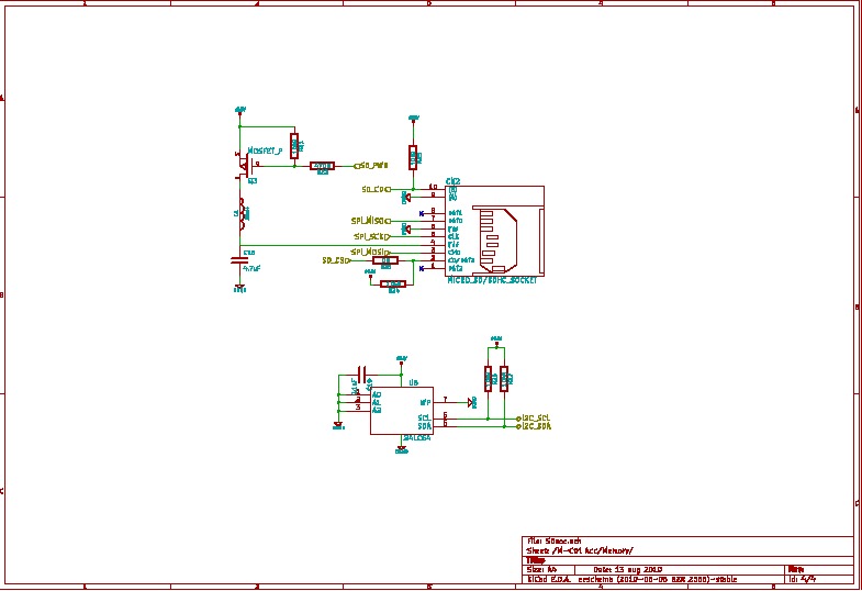
stick_sch1stick_sch2stick_sch3stick_sch4


 こんなかんじになりました.
 解像度低いのはご容赦ください.あともう二種類作らなきゃ.
 標準ライブラリの電解コンデンサの形がヘンになっちゃってるなぁ.扇形を使った図形はみんなそうか?ライブラリを自前で作り直す必要があるかな?

 KiCadは複数ページの回路図を階層構造で管理します.特にガイドラインはないんだけど,私の場合,一番上の階層に電源等の一番広範囲に影響が及ぶもの,その下にCPU,その下にCPUにつなげる周辺機器みたいにするといいかな~と思ってます.まぁ,これに気づいたのは回路図がほとんどできてからで,それから回路図変更するのは泣きそうなくらいめんどうだったけど!各階層ごとのリンクは「Hierarchical Label」ってのを利用します.1番目の図,USB回路の左にある枠を見てください.その枠についてるラベルが,2番目の図の「Hierarchical Label」に対応してます.
 Schema Editorの右側「Place Hierarchical Sheet」ってのを選択すると,現在作業中の回路図中に”下の階層”の回路図を作成できるようになります.階層の移動は,右メニュー上から2番目の「Hierarchy Push/Pop」.”下の階層”で「Place hierarchical label」で上の階層に接続する部品を作成できる.上の階層に戻ったら,最初に作った枠の中で右クリック.「Import PinSheets」を選択すると,下の階層と接続する部品が出てくる.工夫して,階層構造をまたぐ配線をなるべく少なくしないと,枠がどんどん大きくなってタイヘンなことになるよ!
 普通の回路図エディタみたく,単純に改ページやる方法はないのかな~と調べてみたのですが,どうやらないらしいです.英語のコミュニティでも話題になってました.それっぽくしたかったら,一枚目の回路図にHierarchical Sheetをたくさん配置してしまって,中の配線は全部「Grobal Label」にしちゃえば,階層構造関係なくなるんで,できるとは思います.

 うがー,説明むっちゃ難しい!!

--

 あ,ちょっとバグ見つけちゃった.UbuntuでいじったKiCadライブラリ(.lib)をWindowsに持ってきて使おうとすると,「.rorファイルがない」とか何とかって文句言われて使えなくなります.これはUbuntuで作業したときに,ライブラリファイルの中に日本語で更新日付を書き込んでしまうのが問題みたい.文句言われたKiCadライブラリファイル(.lib)をテキストエディタで開いて,一行目の日付表記を「Date: // ::」に直せばOK.
 うぅむ,どうやって報告すればいいのかな?

--

 そうそう.ブログにアップするってんで,KiCadの回路図を画像ファイルに落とさなきゃならなかったんだけど,KiCadの回路図エディタはPostScript・HPGL・SVG・DXFの形式しか書き出しできない.とりあえず知ってるPostScript(.ps)で吐き出させたんだけど,そいつをconvertでjpgに変換したら,右側が見切れた.原因分からず.1ページごとにpsファイル作って,epsi形式を経由することでなんとかしたけど,根本的な対策ではないよなぁ.

$ ps2epsi stick_1.ps
$ convert -density 72x72 stick_1.epsi stick_1.jpg


 『トランジスタ技術』誌2011年10,11月号に,特設記事としてKiCadのインストールから簡単な基板を作成して基板業者へ発注するまでのチュートリアル記事を連載しました.
 1ページ目はトランジスタ技術誌のWebページ>バックナンバから読むことができます.(直接リンク:10月号記事11月号記事
 こちらもどうぞよろしくお願いいたします.



k_yon at 23:00│Comments(0)TrackBack(0)clip!Kicad | 電子工作

トラックバックURL

この記事にコメントする

名前:
URL:
  情報を記憶: 評価: 顔   
 
 
 
現状報告
 KiCad解説本の重版が決定しました!ありがとうございます♪.(2016/12/10)

自己紹介
yoneken
logo
 ロボットの研究・開発をしています。

連絡先は
ad

Syndicate this site
来てくれた人たち
  • 今日:
    5
  • 昨日:
    5
  • 累計:
    496847

記事について
 このブログ記事の著作権は全てyonekenに属します。
 転載や個別記事へのリンクはご自由にどうぞ。連絡は必要ありません。
 記事の内容は無保証です。古い記事の内容は当時と状況が変わっている場合があります。
 内容に関する質問はコメント欄でもらえると、他の人にも役立ちます。
記事検索
月別