T15-J の回路上の特徴はやはりトーンコントロールでしょうか。
T15-J の TREBLE, BASS とも センタークリックがあって12時の方向が 0、
最小が -10, 最大が +10 の表示があります。± 10 dB ということなのか?
もしそうであるならばカットもブーストもできる回路であるはずです。
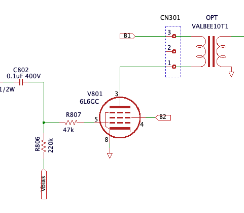
該当する部分はこちら。

U4 の OPアンプを使った NFB 型トーンコントロールを構成して
います。通常のトーンコントロールはポットをフルに上げた状態
(0dB 原音の状態)から左に絞るにつれて帯域をカットするように
なっていますが、 NFB 型だとカットだけでなく原音より増強
(ブースト)することができます。
ただし基本的な構成は通常のオーディオ用トーンコントロールとも
異なっています。
典型的なオーディオ用トーンコントロールは Micro Jugg で使われている
次のような回路(ただし NFB 型ではなくパッシブ)。

定数はギター用に変更していますが、 BASS と TREBLE の
部品配置は典型的なものです。
(図中 R16 と C22 はトーンコントロールとは無関係です。)
これに比べると T15-J のトーンコントロールの基本部分は明らかに
簡易的なものであることがわかります。
どのような帯域を調整(増幅・減衰)させるよう設定されているのかは
時間を掛けて検討が必要です。
T15-J の TREBLE, BASS とも センタークリックがあって12時の方向が 0、
最小が -10, 最大が +10 の表示があります。± 10 dB ということなのか?
もしそうであるならばカットもブーストもできる回路であるはずです。
該当する部分はこちら。
U4 の OPアンプを使った NFB 型トーンコントロールを構成して
います。通常のトーンコントロールはポットをフルに上げた状態
(0dB 原音の状態)から左に絞るにつれて帯域をカットするように
なっていますが、 NFB 型だとカットだけでなく原音より増強
(ブースト)することができます。
ただし基本的な構成は通常のオーディオ用トーンコントロールとも
異なっています。
典型的なオーディオ用トーンコントロールは Micro Jugg で使われている
次のような回路(ただし NFB 型ではなくパッシブ)。
定数はギター用に変更していますが、 BASS と TREBLE の
部品配置は典型的なものです。
(図中 R16 と C22 はトーンコントロールとは無関係です。)
これに比べると T15-J のトーンコントロールの基本部分は明らかに
簡易的なものであることがわかります。
どのような帯域を調整(増幅・減衰)させるよう設定されているのかは
時間を掛けて検討が必要です。