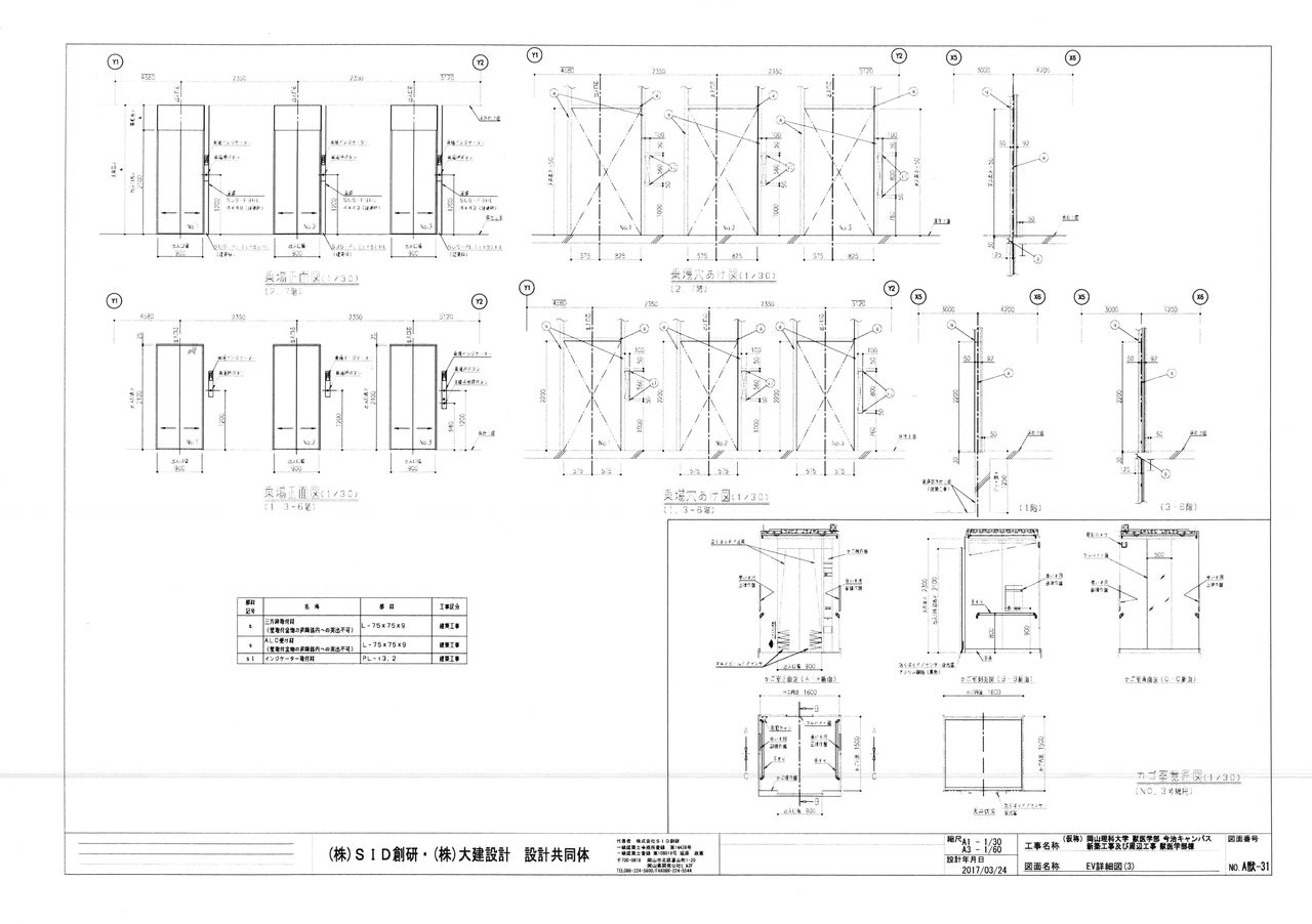
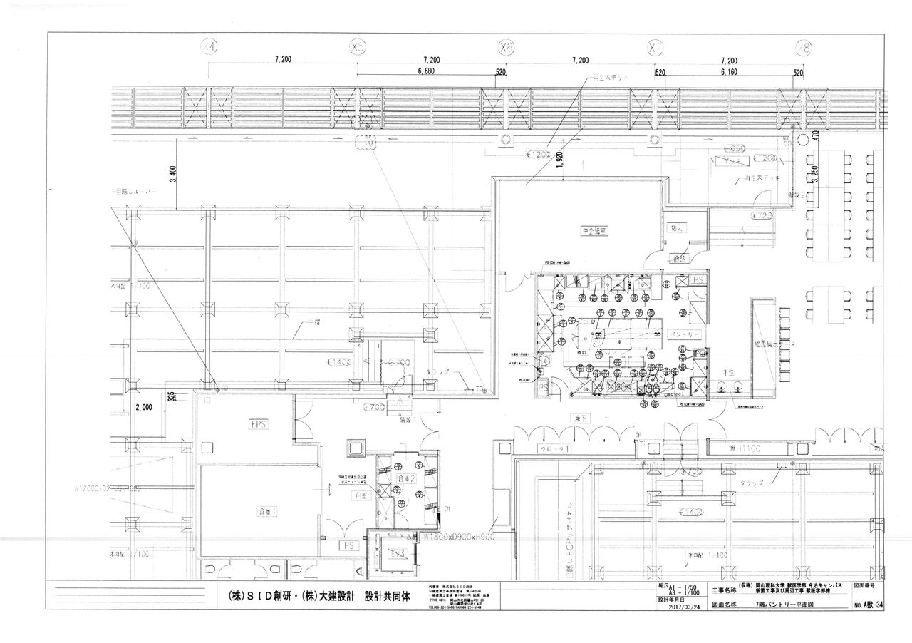
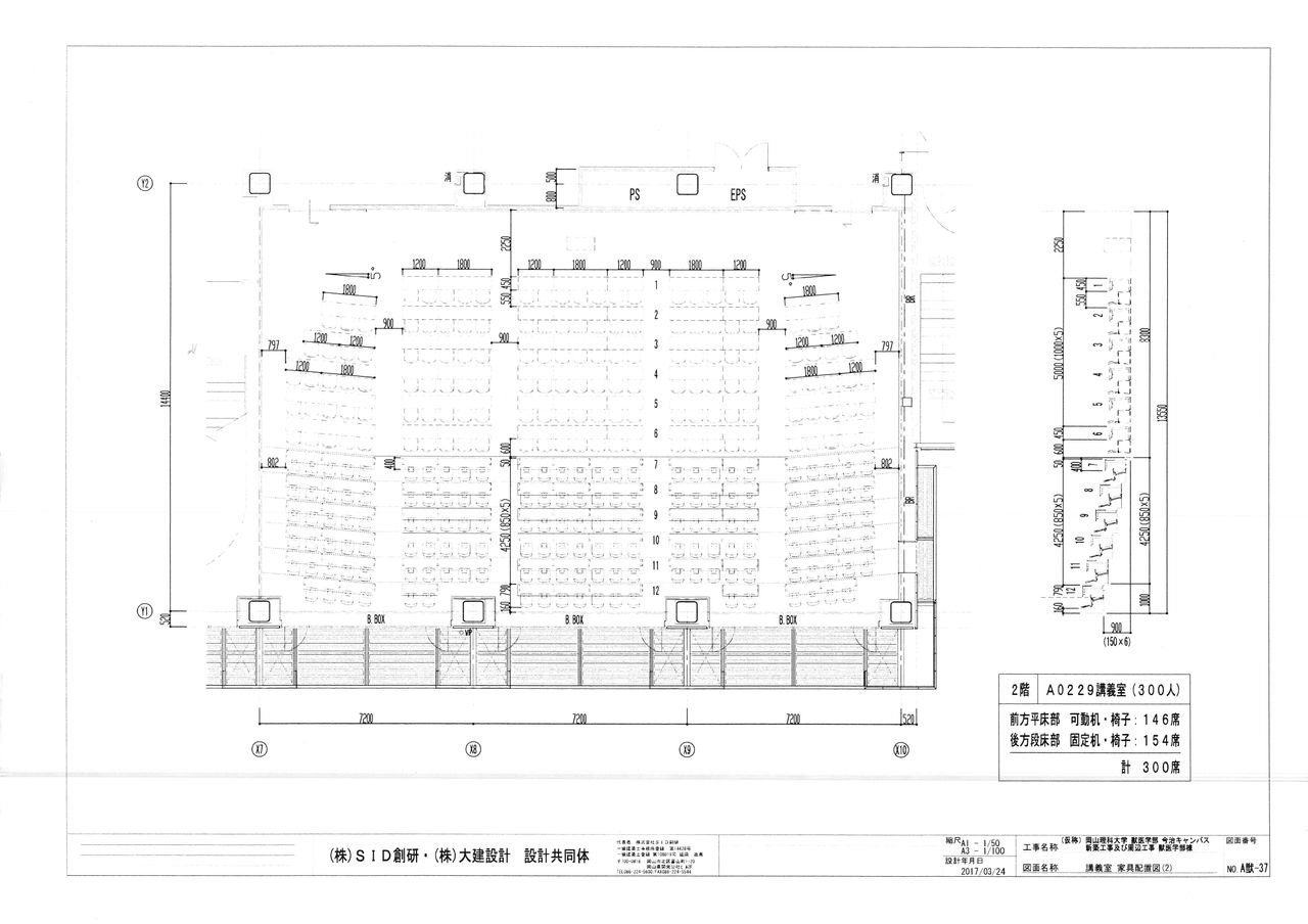
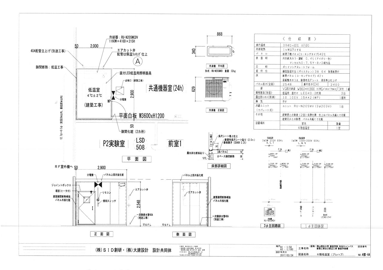
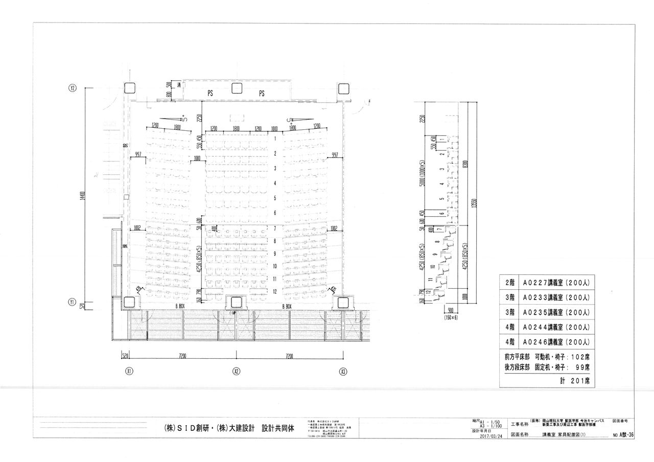
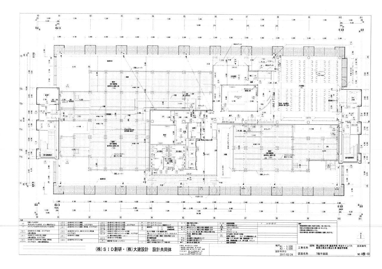
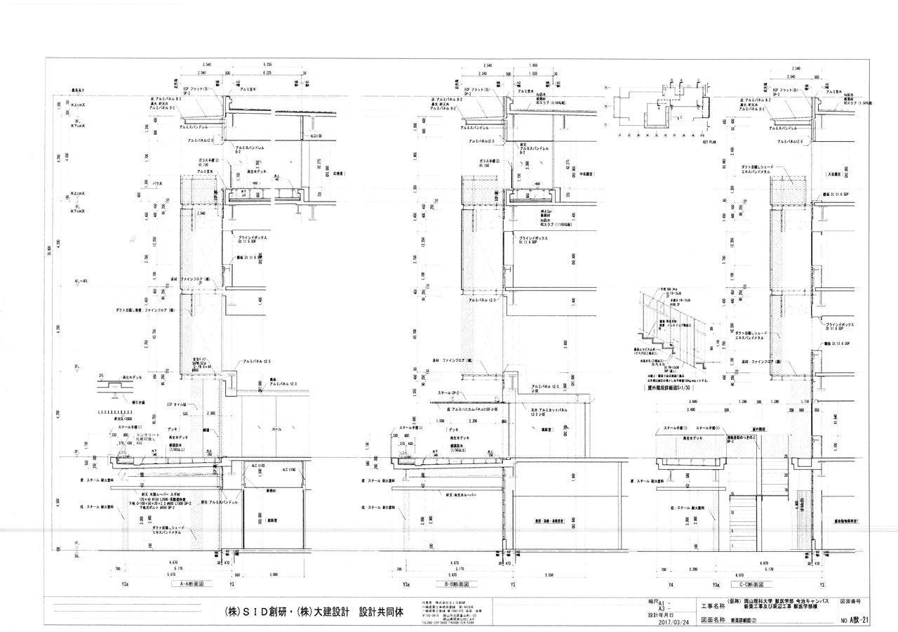
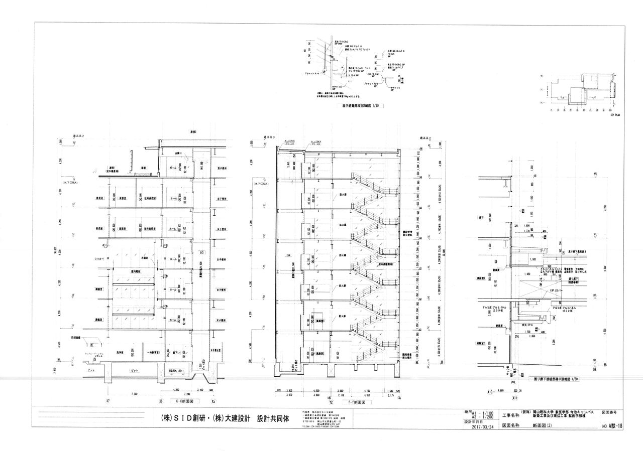
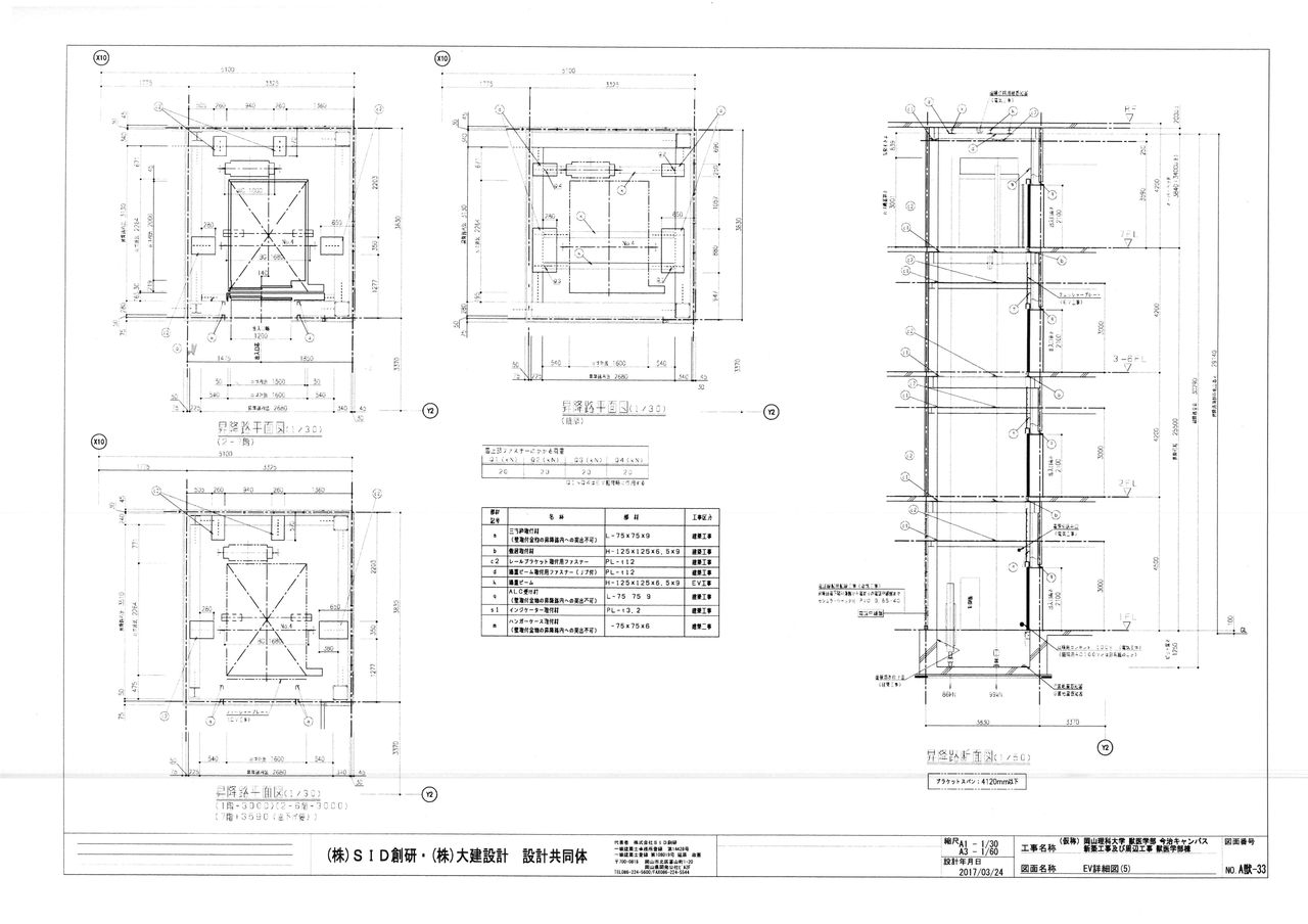
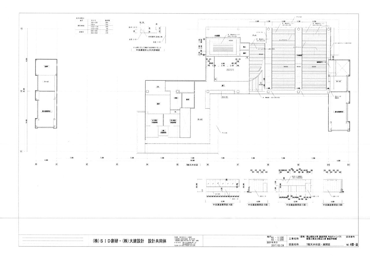
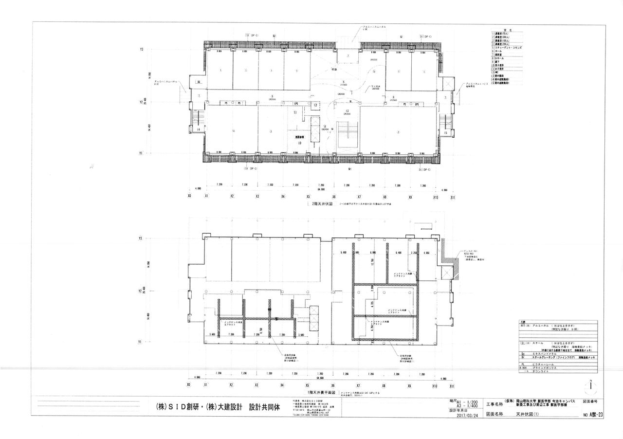
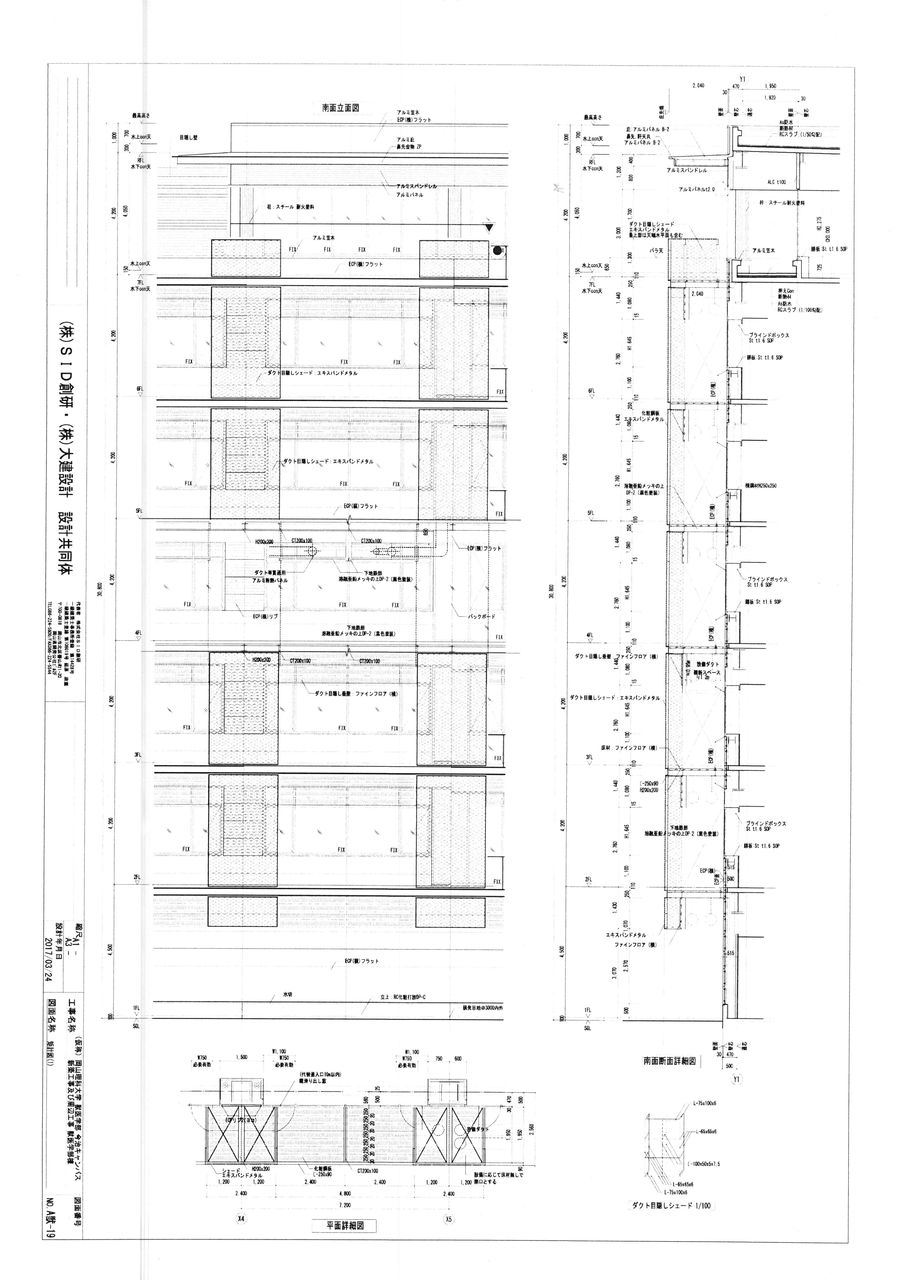
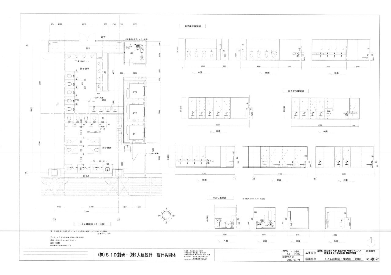
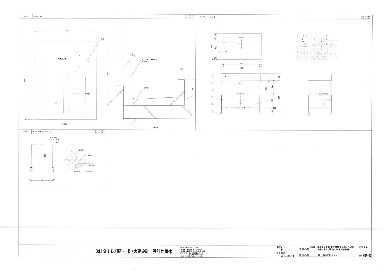
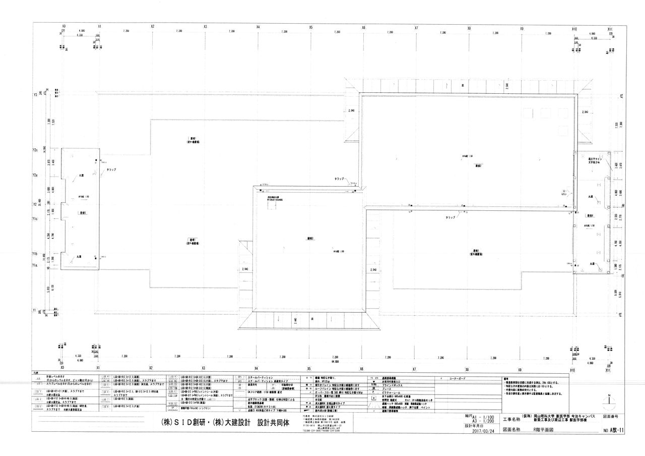
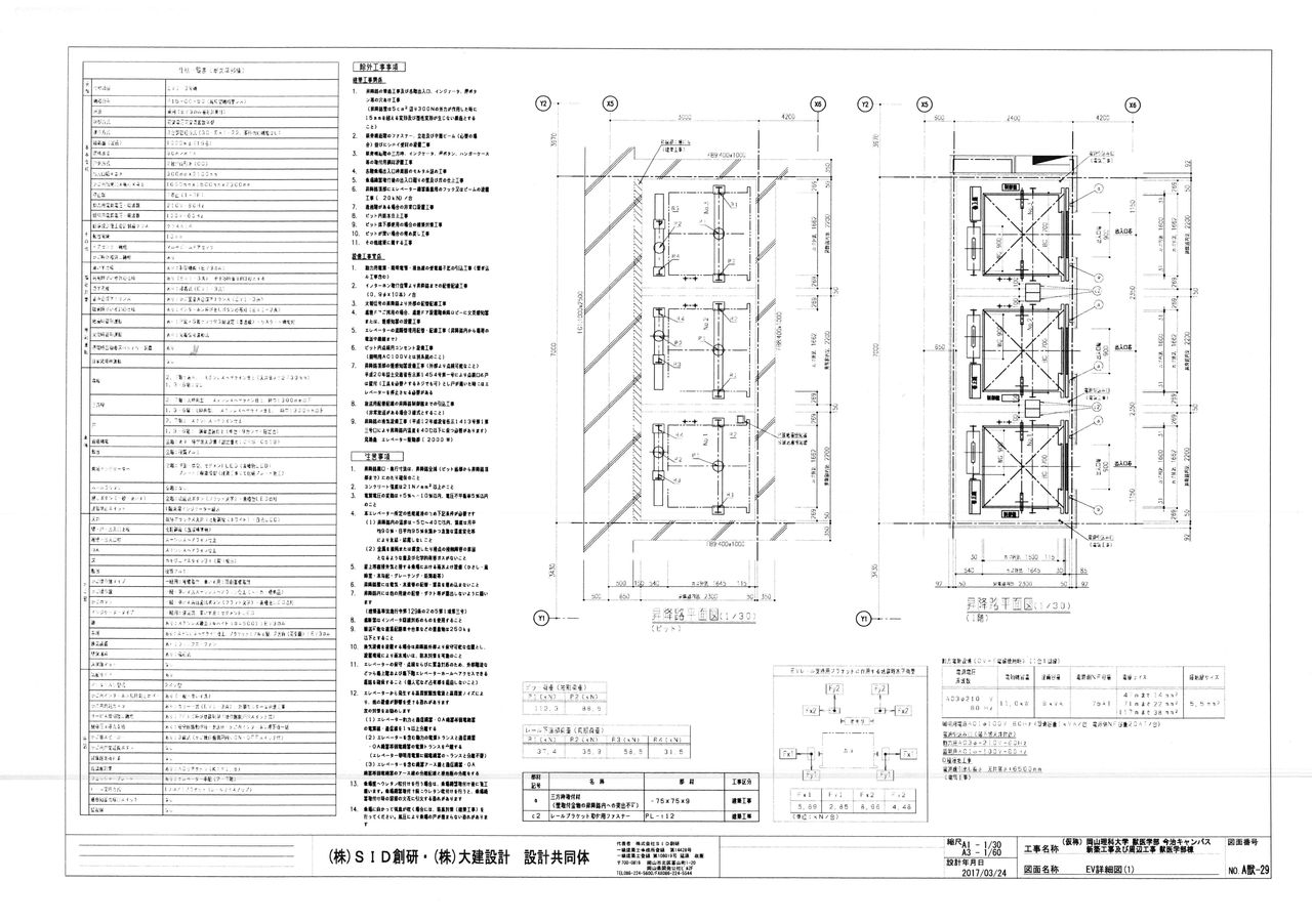
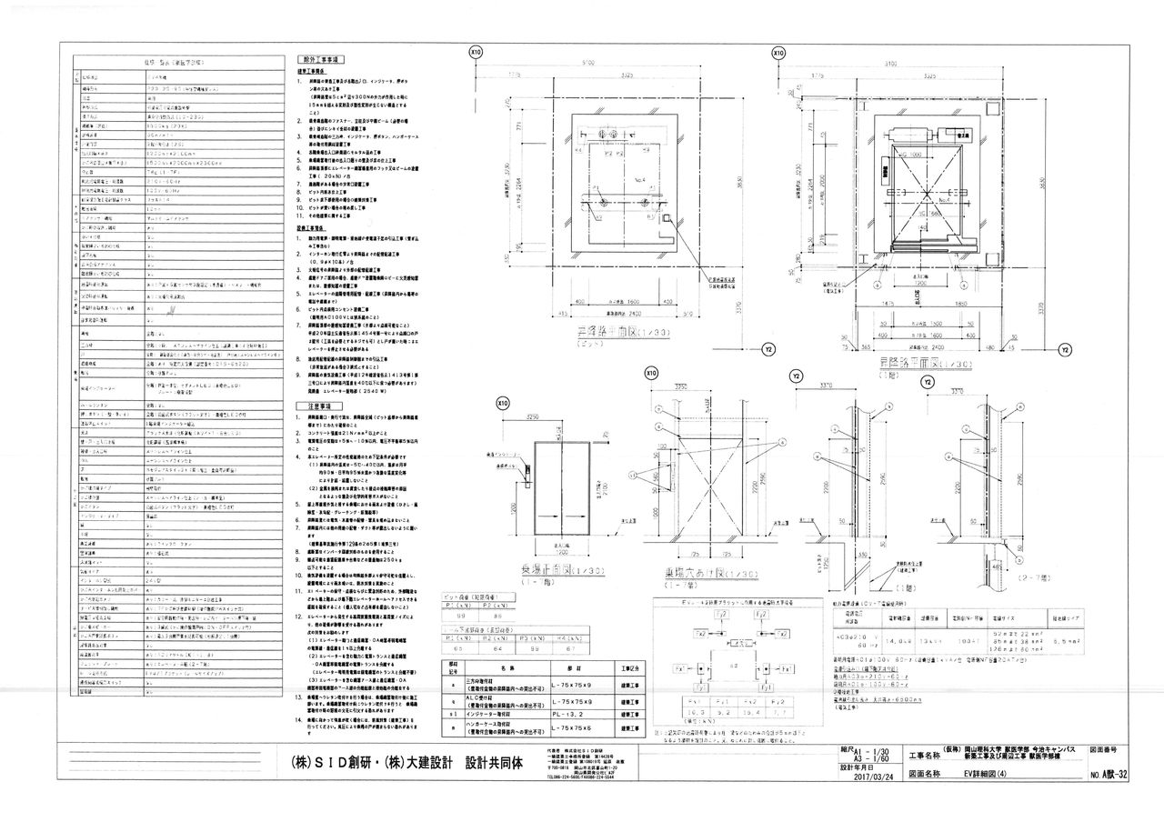
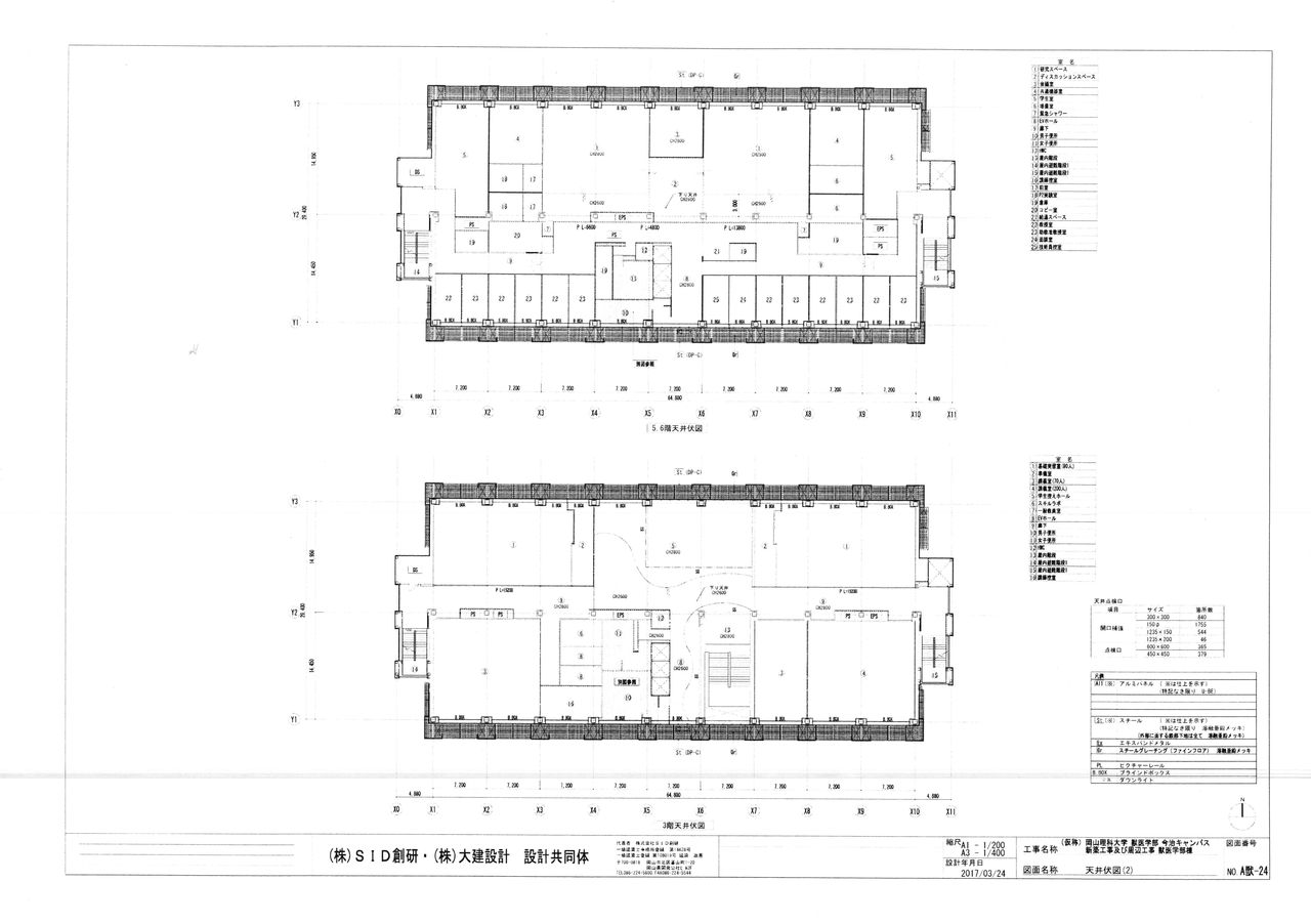
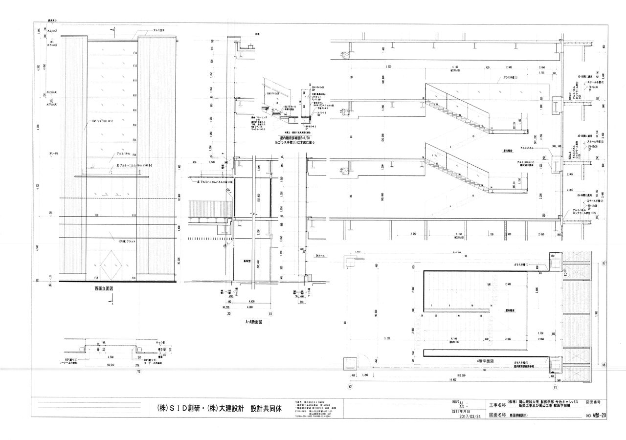
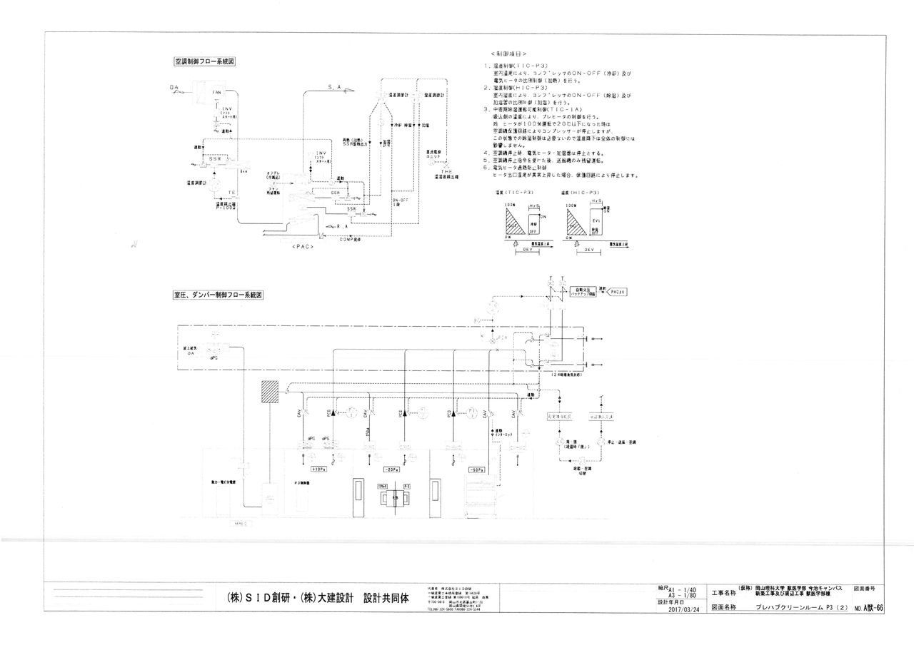
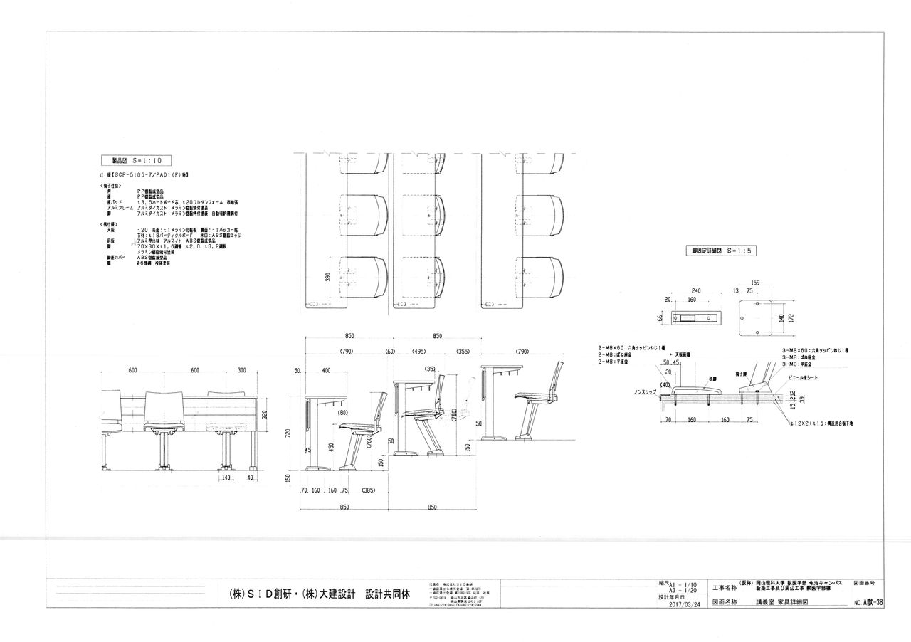
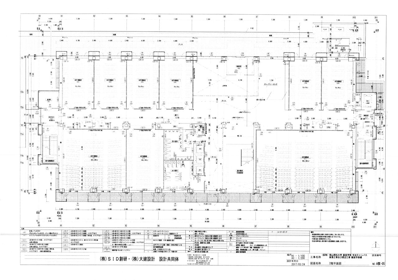
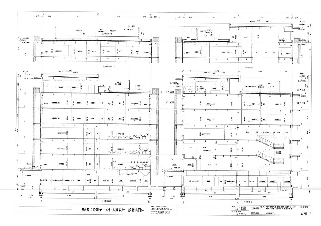
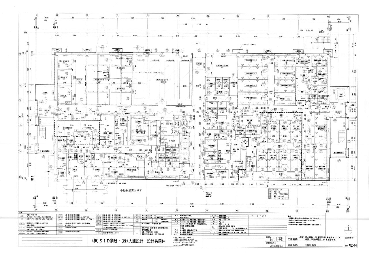
2017年08月24日 加計学園・獣医学部の設計図『全52枚』を画像で公開 出所元:黒川敦彦@加計の図面戦争なうhttp://demomon.com/ https://twitter.com/democracymonst 「加計学園」カテゴリの最新記事 加計学園・獣医学部の設計図『全52枚』を画像で公開 加計・獣医学部で設計図からも建築費水増し疑惑 加計学園の千葉科学大学を誘致した銚子市が財政破綻寸前の事実! 加計学園の建築費水増しを立証する図面が流出! 加計学園の建築費水増し疑惑が深まる!坪単価150万円はありえない理由がまた1つ見つかる タグ :加計学園設計図 < 前の記事次の記事 > コメント コメントフォーム 名前 メール URL コメント 評価する リセット リセット 顔 星 投稿する 情報を記憶
コメント