NAG '85

1980年代、名古屋6m界を席巻した名古屋エイズグループが発行した「NAG '85」を再現します。

P00

はじめに

 そもそも名古屋とは、東京と大阪の間に位置し、一般社会におけると同様、6m界だけでなく無線界全体での地盤沈下の著しい場所でもありますが、今こそ全国6mマンに、“名古屋にNAGあり!”とその実力を誇示し、さらにはひんしゅくを買わんがため、この“NAG '85”を発行するに至ったわけです。
 NAG-Nagoya Aids Groupという名称は、CQ誌1984年5月号“ジョイフル50MHz”の中でJR2LRR、JF2CRP、JG2BCS、CAU、JI2MILの移動をJE3QBGが紹介する際、“ポータブル機+簡単なアンテナで移動を楽しむ名古屋AIDSグループ”と銘打たれたところにさかのぼります。この5人の他にも、JE2MEW、JF2BTF、BTH、PYZ、WND、JG2BVO、HPG、LMZ、OFX、JI2JLSらのメンバーにより、移動運用をはじめとする数々の活動が行われてきました。彼らはいずれも名古屋6m界において顕著な存在であり、その彼らがひとつにまとまったという事実は、低迷を続ける名古屋にとってまさに救世主的存在であったと極言することさえできましょう。
 それと時を同じくして84年7月に発足し、急速に勢力を伸ばしつつあるグループがありました。これがJF2AUM、ICB、PFOの3人からなる通称“3人組”で、移動回数こそ負けるものの、50W+9mH.9ELという設備でNAGと対応していました。
 しかし、85年に入って、誠実をモットーとするさすがの3人組も、NAGの強大なパワーの前に屈し、NAGは新たなメンバーを加え85年NAG全盛時代を迎えるに至りました。この“NAG '85”では今年のNAGの成果をまとめてみました。以下、存分にお楽しみを。  NAG一同

集合写真

1985年12月29日 忘年会後、名古屋駅で

NAG '85 目次

1)我らNAG その仲間たち……………………JG2CAU
  ★新年会
  ★焼肉パーティー
  ★TTL入会
  ★14th Sep.
  ★波乱づくめの忘年会

2)'85 NAG移動の全て
  ★移動一覧表………………………………JF2PFO
  ★移動地マップ……………………………JG2CAU
  ★移動詳細…………………………………JF2PFO
  ★みほちゃーん……………………………JE2MEW
  ★JCC2030………………………………JJ2VLY
  ★三国山移動記……………………………JJ2RHY
  ★高山市移動………………………………JF2PFO
  ★滋賀県移動記……………………………JF2AUM、JF2ICB、JG2CAU

3)NAGテクニカル・ノート
  ★誰でもできる超高性能プリアンプ…………JF2PFO
  ★リニアアンプリファイアーを作ろう…………JG2HPG
  ★6mのローパスフィルターについて………JF2PYZ

4)6mマンに対する2mQSOの対応法…………JG2BVO

5)NAGoyaから見た珍市珍郡…………………JF2ICB

6)NAG in NAGOYA
  ★QSO不可能50MHz………………………JJ2NWI
  ★今こそ語るNAGの実態……………………匿名希望局
  ★ある高校生から見たJF2PFO……………JI2DWO

7)名古屋からみた国内CONDXを振り返って…JG2CAU

8)from NAG to YOU
  ★無線にAidsされているあなたに贈る………JG2WND
  ★ローカルに悩まされているあなたに………JE2MEW
  ★電監と友達になりたいあなたに……………JF2PFO
  ★話の種をあなたに…………………………JF2SIV

9)コンテストにかける夢…………………………JF2PFO

10)パパちゃんの各局たずねある記……………JF2CRP

11)ZIEからこんにちは!
  ★その1より……………………………………北村  恩
  ★その2より……………………………………大島 千晶(ex.JK2CJJ)
  ★その3より……………………………………荒川 真弓

12)NAGから1エリア移動局とQSOする法……JF2ICB

13)NAG略語辞典………………………………JG2CAU

14)NAGローカルマップ…………………………JG2CAU

15)NAG住所録…………………………………JF2PFO

我らNAG(Nagoya-AIDS-Group)その仲間たち

JG2CAU 竹川彰一


NAG----それは一体どこから造られたのか?誰も知らない。名前はNAGとあるが、クラブ的なものではなく、ただ単に名古屋市とその付近で50MHzにアクティブな人たちの集まりである。
友達の輪が次から次への広がり、今のNAGの仲間たちがいる。
年齢層は10代から20代。高校生、大学生が主である。
皆よく協力している。何をするにもよく協力し合って、必ずと言っていいほど成功につながっている。
人のために貢献したことは少ない。しいて言えば数々の移動運用ぐらいである。その逆に、人のひんしゅくを買うのは得意である。それがここまでNAGを有名にしたのかもしれない。
何と言っても変わり者の集まりである。
今ここにNAGがあるということは、NAGの仲間たちにはひとつの共通点がある。それは50MHzが好きということである。みんなで楽しんでいる。ただそれだけである。仲間がたくさんいる。これほど楽しく、すばらしいことはない。だからこれほど真剣に50MHzを楽しめるのかもしれない。各自の個性を生かし、これからも楽しくやっていきたいと思っている。
われわれNAGは各自一人ひとりが主人公だから…。

P02


★新年会

NAGの新年会を1985年1月4日に中区栄の“つぼ八”でやった。85年度初めてのNAGの行事であった。このときはNAGの仲間たち13人が集まった。いつものことだがYLはゼロであった。
そのせいか、初めからビールのパイルアップ。
次から次へとビール、ビール。トータルで40本のビールを飲み干した。潰れる人も少なくなかった。その中でもCRP、PFOはピカイチだった。
2人とも酒は弱い。それは彼らがいつも口にしている。これはと思い、CRP、PFOにビール、ビール。「俺のつぐビールが飲めんのか」と次から次へと彼らへ。ついにCRPがDown。(その時のFocus写真あり)さすがPFO、CRPのようにはDownしない。人のビールを漁りまくり、完璧に意識もうろう。人の手を借りないと歩けないぐらい……(マイッタ)
そういった具合でとても楽しくNAGの1985年が始まりました。
参加者)JF2BTH、CRP、ICB、PFO、PYZ、RMJ、SIV、JG2BCS、BVO、CAU、HPG、LMZ、OFX

★焼肉パーティー

8月下旬、CAU宅の庭で焼肉パーティーをやった。天気は今にも雨が降りそう。庭にはホットプレートが3台。総勢20名であった。
P04

ここでトラブル発生。CAU宅はブレーカーが30A×2である。ホットプレート3台いっぺんに使うとブレーカーが飛ぶ。しかたなく2台で。1台のホットプレートを10人が囲む。
早い者勝ちの世界…ビール、肉、野菜多数あり。7時から始め9時終了。その後JA2YKA(名古屋大学アマ研)の屋上にて星空マージャン。星はとてもきれい…
参加局)JA2YKA10名、JF2AUM、CRP、PFO、PYZ、SIV、JG2BCS、CAU、HPG、OFX、JI2JLS

★TTL君の入会

“JP1TTL、これは何者だ”と思った。突然8月30日、名古屋へ上陸しビックリ。しかし我々は彼を見放さなかった。初めての他エリアのメンバーができそうであるからである。
P05

30日夜はJF2CRP、PFO、PYZ、JG2BCS、CAUとJP1TTLとでお茶会。初夜はPFO宅で宿泊、2日目は彼の要望により移動へ。
名古屋からはAUM、ICB、PFO、BCS、そしてTTL。彼らは車2台で一路愛知県の北東の端の北設楽郡へ。雨のなかアンテナを建てQSOへ。この日(8月31日)は山で泊まり9月1日に下山し彼は大和へと帰っていった。どうもご苦労様でした。
大和へ帰っても彼の声は50MHzで毎日といっていいほど聞こえてくる。神奈川で彼は何と呼ばれているのか心配である。決して“AIDS”とは?

★19th September

1985年9月14日(土)藤が丘の和食“はま甚”で飲み会をやった。このとき飲み会に総勢24名。そして初めてYLさん(高校生を含む)が7名も参加した。
話によると岐阜方面でも飲み会をやっているらしい。向こうは向こう、こっちはこっち…という感じ。
みな知らない人がたくさんいたせいか、まず自己紹介。その後、机の上に並べられた料理やビール、ジュースを食べたり飲んだりしながら、いろいろな話題に話が開きました。YLがいると一味違った飲み会になりました。ここでは酔っぱらって死ぬ人は誰もいないように見えた…
二次会で近くの喫茶Hutchへ。
ここで“NAG唯一の2mマン”JG2BVO笠井君が登場した。店内はとても満席…少し外で待ち、空いた席から順次座っていった。しかし、ほんの一部(男6名)は座れず、恥も外聞も忘れて外でアイスコーヒーを飲んだ…(夏だからネ)
最後に記念撮影…(カシャー)
参加者)JL1QQF、JP1CTX、HIM、VOC、JF2AUM、ICB、PFOPYZ、QKA、JG2BCS、BVO、CAU、JKS、OFX、JI2JLS、OEU、JJ2VLY、OLX、JE2ZIE(北村さん、大島さん)以上25名

★波乱づくめの忘年会

1985年も終わろうとしている12月29日(日)…
われわれNAGの忘年会を名古屋駅前“やぐら茶屋”にて行った。当日集まったメンバーは超豪華メンバー。1エリアからはJP1TTL藤本君も参加、名古屋からも5人組をはじめ名古屋のローカル各局22名が集まった。集合時間17:40~18:00というのに、さすがNAG、各局18:00時間どおり集合したのが15人…あらかじめ予想されていたが、いつもこんな状態。最終的に全員が集まったのは18:15過ぎ、目指すは一路“やぐら茶屋”。
店に入り着席、いきなりビール、ビール。あっという間にTTLが酔いつぶれ、つぶれているのにPFOが得意なからみ…その中で一気一気の大合唱“名東区民”BCS、PFO、BVO、BVP、ついでにTTLまでいきまーす!“PFOもっと飲め飲め”という大歓声。その勢いで彼は人がらみ。JLSのことをOFXと言い張り、JLSはだいぶ困っていたようでした。

P07

各テーブルでとりあえず盛大に盛り上がり、そこらじゅうから楽しそうな声がこだましてました。BTH、MEWはいつもながら女の子の近くで大騒ぎ。さすが彼ら…TTLはいつの間にかおやすみ…そこでいつも静かなICBがなんと北村さんとフォーカス!
などなど、いろいろなことがありましたが、無事一次会を終えて二次会“さてん”へ…と。
とても楽しい忘年会でした。1985年の幕がもうすぐ降りようとしている。1985年、NAGにとってはとても素晴らしい年でした。1986年に向かって良いジャンプ台になったと思います。
P08

'85 NAG移動の全て

 読者の皆さんが“NAG”と聞いて最初に頭に思い浮かぶのは、やはり何といっても「移動」でしょう。あの“滋賀県珍市大移動”に代表される強烈なNAGの電波、流れるようなオペレート等々…われわれNAGは'85の1年間に実に56回もの移動を実施したのです。
 総交信局数18,000局、ちょっとした設備でパイルを楽しめる1エリアならともかく、この局数の少ない2エリアでこれほどの局数をさばいたことは、他の追従を許さぬ快挙であると自負しています。
 ここでは、その私たちの1年間の移動の軌跡を振り返ってみました。読み終わったときの、あなたの驚愕の表情が目に浮かぶようです。それではごゆっくりどうぞ。

P09



P09chizu

'85 NAG移動詳細

By JF2PFO

1)2月10~11日 愛知郡日新町 御岳山(100m) IC551+HL86V 10mH.9EL
 神奈川、千葉一斉移動迎撃に燃えるICB、BCSが中心に計画。BCS宅から約2km、名古屋のすぐ隣の山へ移動しました。
P10

2)2月23日 三重県員弁郡大安町 竜ヶ岳中腹(500m) TR9300+2SC2879 8mH.6EL
 三重-滋賀県境の峠から運用したところ、道が崩れて通行止め。仕方なく山の中腹から運用したCRP、BCS、CAUでした。

3)3月9~10日 宝飯郡一宮町 本宮山スカイライン(700m) IC551+HL86V 7mH.9EL
 今年初めての本格移動としてAUM、ICB、PFOが計画。風が強くポールを伸ばせず7mHで運用。夜はスカイライン入口(400m)まで降りて車内で寝たが、明け方のあまりの冷え込みに後々“激寒の本宮山”として語り継がれている。

4)3月10日 知立市 JF2AUM宅(20m) 901Line+2sc2290PP 12mH.6EL
 宝飯郡移動の帰りに専用カード製作のためAUM宅に立ち寄った際、悪乗りしたPFOが「知立市移動!」と叫んだだけのことである。

5)3月10日 岐阜県土岐市 三国山山頂(800m) FT690+2SC2290 17mH.6EL
 BCSがCL6DXを移動用に改造し、性能テストを兼ねて手軽な三国山へ登っただけのことである。ここには展望台があり、その上にポールを建てると手軽に17mHにもなる。

6)3月16~17日 岐阜県瑞浪市 瑞浪市無線中継所(633m) TR9300+2SC2879 10mH.6EL
 1エリア向けのサービスとしては今年初めての移動。すごいパイルで皆ショック!!ロケは全方向BFなのに、なぜ1エリアまで飛んだのか不思議?

7)3月17日 知多市 知多市ポンプ所(80m) IC551+HL86V 9mH.9EL
 かねてよりリクエストの多かった知多市へAUM、ICB、PFOが移動。標高は80m程度と低かったがよく飛び、珍市平地移動の走りとなった。

8)3月20日 津島市 無名の河畔(0m) FT690+6080 10mH.6EL
 上述の知多市移動の成功に刺激されたBCS、CAUが珍市移動第2弾として計画。いま流行りの土手移動。飛んだとんだエリアへ。

9)3月21日 碧南市 矢作川河畔(0m) IC551+HL86V 9mH.9EL
 珍市移動第3弾。PFOがバイトで行けないのにつけ込んでBCSがAUM、ICBと手を結び、“新3人組結成!”と声高らかにうたっとことは記憶に新しい。平地移動としては空前の300局をさばき、8月17日の岩倉市移動とともに名高い。
P11

10)3月27日 三重県久居市 青山高原(750m) TR9300+2SC2879 10mH.6EL
 霧の中の大移動。雨は降るし大変な移動でした(HIMさんごめんなさい de?)。

11)3月30日 尾西市 無名の河畔(0m) FT-690+6080 10mH.6EL
 珍市移動第4弾。JA5FDRのリクエストにより尾西市へ。これも津島市同様、土手移動。95%が1エリアでした。

12)3月31日 高浜市 田園地帯(0m) IC551+HL86V/2SC2290PP 9mH.9EL
 春季珍市移動の締めくくりとして旧3人組が計画。さすがに県内一の珍市だけあってまるで飛ばず、また運用途中でHL86VのTrが死んだことからも、現在に至るまで'85NAG最低移動の名をほしいままにしている。

13)4月6日 幡豆郡幡豆町 三ヶ根山(326m) FT690+6080 10mH.6EL
 三河湾を臨む山頂で運用。1エリア方向のロケーション抜群!春休みを利用して毎週の移動にも疲れをみせずに頑張るBCS、CAUでした。

14)4月7日 高浜市 田園地帯(0m) FT901+HL2400 10mH.IV
 3月31日の移動の際、田んぼの脇に農作業用100V電源を見つけたのを我々NAGが放っておくはずがない!1週間後にはリニアを持って7メガハイパー移動に出かけたのであった。ハイパー楽しいなルンルン…結果は7時間で900局!

15/16)4月13~14日 額田郡、南設楽郡 本宮山スカイライン(700m) IC551+HL86V 9mH.9EL
 形の上ではひとつにまとまったNAG…とはいっても元からのメンバーと3人組の間にはまだ溝があった。それも枕を共にしたこの大移動で身も心も一体に…総QSO1千余、本宮山が“愛知の足柄下郡”と言われる由縁である。

17)4月20日 豊明市 二村山山頂(72m) IC551+HL86V 15mH.6EL
 埼玉県の珍市、鴻巣の移動を射止めるため移動。ロケは良いが名古屋に隣接しているためノイズ多し。移動してくれたJN1JIV、JK1NZMに大感謝。

18、19、20)4月27~29日 三重県阿山郡、一志郡、久居市 青山高原(800m) FT625D+HL86V 9mH.9EL
 PFOがALL-JAに参加。前運用では高原内を9エレ片手に走り回り、500局余りとQSO、とにかく良く飛んだ。グランドウェーブは北は秋田、西は熊本、コンテストは宿敵JF3GPS/4をかわしてコンテストレコード、全国優勝達成。

21)5月4~6日 南設楽郡作手村 本宮山スカイライン(700m) IC551+HL86V 9mH.9EL
 WACA達成に燃えるAUM、ICB、BCSが“北関東一斉移動”を見逃すはずがない。3人とも北関東が終わる。勝田市以外は全てQSO。おかげで3日間もいたわりにはQSO数は515と振るわず。PFO、CAUは車を宿代わりに使われてブーブー。

22)5月5日 高浜市 田園地帯(0m) FT901+HL2400 10mH.IV
 PFOがZIE/北村さん(通称メグちゃん)をそそのかして、またも高浜7メガ移動。しかし彼の下心にバチが当たったのか、途中でリニアのタンク回路コンデンサがパンク。運用断念し、明るいうちに帰ってきてしまった。

23)6月15日 岐阜県土岐市 三国山山頂(701m) FT625D+HL86V 17mH.6EL
 言われてみれば、行ったような気もしますねー。記憶にないので省略。

24)6月21日 三重県桑名郡多度町 多度山山頂(403m) FT625D+HL86V 10mH.6EL
 PFO、BCSが暇にまかせて平日夜に突然移動。BCSは腹痛でPFOが運用。3時間で246局は平日にしては上出来。

25/26/27)三重県那賀郡、久居市、一志郡 青山高原(750m) FT625D+HL86V 9mH.9EL
 AUM、BVOが6m&Downコンテストに参加。当日朝10時に着いたところ、運用予定場所(久居市)をクラブ局に取られており、泣く泣くロケの多少悪い一志郡駐車場で妥協。※CAU「JI1UH△さん、JJ1PX△さん、強かったですね」
 コンテストは、強力なEスポ発生で6mは意外な大敗、全国3位。2mは10mH.5ELで頑張ったBVOが奇跡のエリア優勝。
P13


28/29)7月27~29日 新城市、額田郡 本宮山スカイライン(700m) FT625D+HL86V 10mH.9EL、FT901+FL2100B 10mH.IV
 単なる暇つぶし。

30/31/32)8月2~4日 三重県阿山郡、那賀郡、久居市 青山高原(800m) FT625D+HL86V 10mH.9EL
 ICBがFieldDayコンテスト参加。前運用でZIE/大島さん(通称ちあきちゃん)デビュー。※ちあきちゃん「初めて2エリア以外とQSOできてびっくりしました」
 コンテストは何故か局数で負け、JF3GPS/4に2連覇を許してしまった。今に見ていろGPSめー!

33/34)碧南市、高浜市 田園地帯(0m) FT901+HL2400 10mH.IV、IC551+HL86V 10mH.6EL
 別名「ハーレム移動」。ZIE/荒川さん(通称まゆちゃん)デビュー。※まゆちゃん「移動もQSOも初めてで緊張したけど、すごく楽しかったし、2日後の国試の励みになりました(えっ?)」

35)8月17日 岩倉市 五条川河畔(0m) FT625D+2SC2879PP 10mH.6EL
 NAG史に残る大移動。愛知県最後の珍市、岩倉から大サービス、その実力を誇示した。あまりの強さに「本当に岩倉からなのか?」と近隣各局の疑惑を生んだ。

36)8月18日 刈谷市 洲原池畔(20m) FT625D+2SC2879PP 10mH.6EL
 前日の岩倉移動大成功に気を良くし、日曜の行楽地になだれ込んだNAG。冷たい視線ににもめげず、芝生の上で麻雀開始。麻雀移動の先駆けとなった。

P14

37)8月21日 土岐市 三国山山頂(701m) FT690+6080 17mH.6EL
 BCSの単独移動。

38)8月27日 春日井市 定光寺(200m) FT690+6080 10mH.6EL
 BCSの単独移動。

39)8月29日 三重県桑名郡多度町 多度山山頂(403m) FT690+6080 17mH.6EL
 BCSの単独移動。

40)8月31日~9月1日 北設楽郡豊根村 茶臼山高原(1300m) TR9300+2SC2879 10mH.9EL
 県内最高峰だがあまり飛ばず、天気も悪くいいことなし。ゲストオペのJP1TTLが1人頑張る。

41)9月3日 知多市 知多市ポンプ所(80m) FT690+6080 10mH.6EL
 BCSの単独移動。

42)9月7~8日 高山市 上野平(600m) IC551+2SC2879 10mH.9EL
 雨の中、遠い道のりをはるか高山へ…場所も探して探して行きつく先は田んぼの真ん中。麻雀でAUM国士!やられたー。

43)9月21日 東加茂郡下山村 下山村無線中継所(946m) IC551+2SC2879PP 10mH.9EL
 NAGの初体験。つかまっちゃった、お巡りさんに。移動帰りにスピード違反。ついついPFOの軽い口に乗ってかっ飛び…そのときルームミラーには赤い回転燈。がっくり…あと点数4点(CAU)
P15

44)10月4日 滋賀県長浜市 無名の山(50m) IC551D 10mH.6EL
 NAG秋のビッグイベントの下見を兼ねてCAUが長浜へ。西は琵琶湖でFBだが、東は岐阜の山々でVY BF、1エリアは何と10局あまり。11月の本番は大丈夫?

45)10月8~10日 静岡県田方郡中伊豆町 遠笠山道路(960m) FT625D+2SC2290PP 10mH.9EL+6EL
 コンテスト開始まであと4時間…先行隊の忘れ物を届けにCAUは東名をひた走った。そして開始30分前、現着!無事にコンテスト突入。PFO(50MHz)、UTL(430MHz)ともにコンテストレコード達成、結果は--JARL NEWS'86 2月号に期待!

46)10月20日 岐阜県土岐市 三国山山頂(701m) FT625D+2SC2290PP 17mH.6EL
 1エリアからのゲストJP1HIMを迎えての移動。無線はリグがトラぶり最悪でしたが、展望台の上での麻雀は寒いながらも再考でした。

47)11月3日 岐阜県瑞浪市 瑞浪市無線中継所(633m) TR9300+NAG50L 10mH.6EL
 1エリアからわざわざ土岐・瑞浪のサービスに来たJM1FWU、JN1GTG、JO1ALSに会いに行ったPFOは、図々しくも1時間もオペレートさせてもらったのでした。

48)11月3~4日 広島県佐伯郡甘日市町 JA4MBM山頂シャック ????
 あこがれの11EL×2でQRV。とにかく大感激のCAU、HPGでした。

49)11月4日 三重県桑名郡多度町 多度山山頂(403m) IC551+2SC2290PP 10mH.6EL
 BCS、ZIEが参加した東海マラソンコンテストのための第1回移動。6mはもちろんのこと、2mもNAGの2mマンBVOの指導でバリバリ稼いだ。

50)11月9日 岐阜県土岐市 三国山山頂(701m) IC551+2SC2290PP 17mH.6EL
 またもマラソンコンテストのために移動。人は10人以上いたが、オペレートするのはZIEのYLだけ。暇を持て余した我々は、当然のごとく麻雀に走ったのであった…

51)11月10日 蒲郡市 五井山山頂(454m) IC551+2SC2290PP 10mH.6EL
 マラソンコンテスト最終移動。ところが現地では先客が2mでCQCQ…とりあえず6mで運用開始。東海コンテストなのに1エリアから続々呼ばれてビックリ。しかし無効のため1エリアは無視。1エリアの人たちごめんね。五井山から見る夜景は最高でした。デートコースにも最適よ!

52)11月16日 滋賀県長浜市 長浜港堤防(0m) FT625D+2SC2290PP+? 10mH.6EL
 ついにNAG滋賀珍市移動決行!まるでDX Peditionのようなパイルアップ…大満足で次なる移動地、八日市へ向かったグループ500の面々でした。

53)11月16日 滋賀県近江八幡市 琵琶湖畔(0m) IC551D+? 10mH.6EL
 えーん、ホントに来ちゃったよーこんなところまで。でも下見設備+?の威力はすさまじく、大興奮のCAUはじめグループ250の面々でした。

54)11月17日 滋賀県八日市市 無名の山腹(200m) FT625D+2SC2290PP+? 10mH.6EL
 今回のポイント中、唯一内陸で水面反射が使えないため、長浜の後、真夜中の市内を山を求めて走り回ること1時間半。ようやく見つけた1エリア側斜面で1夜を過ごし、翌朝からQRV。朝っぱらから呼んで来るわ来るわ、パイルををさばき12時50分、全予定を消化してQRT。

55)11月17日 滋賀県市 琵琶湖畔(0m) IC551D+? 10mH.6EL
 リグ等のトラブルがあったものの、なんとか運用開始。しかしノイズで昨日よりさらに耳悪し。何回も呼んでくれた1エリアの皆さんごめんなさい。

56)12月22日 高浜市 田園地帯(0m) FT901(+HL2400) 10mH.IV
 懲りもせずPFOがZIE/メグちゃんと再び計画。しかしリニアが今度は最初から動かず、100Wで運用。家に持って帰ったらちゃんと動いた。もーいやだ!

みほちゃ~~ん!

JE2MEW


 あの叫びは遠い夏のかなたに消えていった…思い出そうとしてもなかなか思い出せないような昔のことになってしまったんだろうか?
 あれは1983年の夏のことです。なだみんながAIDSされる前の、移動なんてたまにしか行かない、そんな頃です。BTH、CRP、RMJ、BCS、LMZと僕、そして少し遅れてCAUとPYZは計4台の車で一路中津川へ--610と2エレHB9CVを持って、しかしいったい何が目的だったんでしょう?こんなもんじゃ十分に移動なんて楽しめるわけもないし。それはそのはずで、この移動を企画した張本人の○×さんは今ではその方面では押しも押されもしない存在になっているが、この頃からすごかったなーうんうん。
 周りが暗くなる同時に無線なんてそっちのけで酒盛りが始まってしまい、悪酔いしたBC?は中津川市内に向かって「○○ちゃーん」と絶叫!それにつられた数名も同じく絶叫。
 しかし610のマイクを取って叫びだした奴がいたのはもっとすごい。その人こそあのCA?です。その夜、病気の感染を恐れられ、彼はみんなに車から締め出されてしまったのもお分かりいただけるでしょう。冷え込む山の上でTシャツジョギパンでテントで寝たCA?の恐るべき生命力は、雨の中(3月の寒い日)HONDAタクトでCRPと京都から帰ってきたときもすごかったが、やっぱりしぶといということを再確認。みんなこの頃から変な奴だった。AIDSの潜伏期間だったに違いない。
 皆さんのローカルにもこんな兆候が見えたら赤信号。気をつけてください。

JCC2030

by JJ2VLY


 私がどうしてNAGの存在を知ったか。そしてメンバーに入っているのか。それは全てこの愛知県岩倉市移動に始まるのです。
 1985年8月17日(土)、午後5時から10時まで、五條川沿い。設備はFT625D、リニア2SC2879PP、10MH6エレ八木。普段の移動と大して変わらないのですが、前々から1エリアより熱いラブコールのあった場所です。大パイルが予想されていました。
 参加局はNAG主力メンバーJF2CRP、PFO、JG2BCS、CAU局etc…それに、1エリアのパイルには名大JJ1BTC/2局に協力を得ました。ゲストOPとしてJA2YKAからは3人。中でもJR2GMC局はCWで大活躍でした。2エリアではいうまでもなく、1エリアでもパイルというNAGの移動の中でも3本の指に入るぐらいの大快挙でした。
 私もなぜかこの移動に参加しました。CAU局に遊びに来てもいいと言われていて、そのつもりで他の人と一緒に出掛けていったのです。その頃はまだ開局したばかりで、とにかく無線がやりたくて仕方なかったのです。
 そんな軽い気持ちで出かけて行ったのですが、行ってみてびっくり。カルチャーショックでした。これも無線なんだと…私は1時間ぐらいONAIR。72局交信しました。しかし正直なことをいうとCAU局にコールを取ってもらって呼んでいたのです。それすら精一杯でした。あっという間に時間が過ぎてしまいました。本当に無線は楽しいと思いました。移動大好きです。
 あと、このときの裏話でも。いつものように430MHzで連絡を取りながら移動をしていたのですが、初めからこの連絡を稲沢の某アンチNAGグループが傍受していたのです。NAGがあまりにも強いので、稲沢ではないかと疑い始めました。中には録音するというおじさんも出てきて大混乱。とうとう現地派遣隊まで出る始末。
 川沿いで運用しているので、岩倉市と西春日井郡の境に当たり、大きな地図で見るとどちらの市なのかはっきりしないのです。今度は西春日郡なのに岩倉市と言っているのではないかと言い始めました。NAGはそれを聞いてとにかくその場から逃げることにしました。調査隊が来る前に逃げなければなりません。間一髪のところで難を逃れました。正確な地図で見ると、ちゃんと岩倉市でした。地元のおじさんの言うことなので心配になって逃げてしまったが、NAGとしてはなんてバカなことをしたんだろうと後からつくづく思いました。今だから書ける本当の話。
 またNAGの移動が聞こえたら、よろしくデス。がんばって移動したいと思っています。

三国山移動-岐阜県土岐市-

確かとっても天気の良い日だったと思います。
JG2JKS…美穂子お姉さんにひっついて、岐阜県土岐市の三国山へ移動に行ってきました。
この日のメンバーは、JF2CRP、JG2BCS、CAU、JKS、JI2SCA、JJ2RHYの6人でした。RigはFT690+FL6010、ANTは6ele八木。
JKSがおにぎりを握っていく…というので、私はポットに冷たいお茶をいっぱい入れて、紙コップと、あとお手製のクレープをかかえていきました。
ANTetcは伊藤さん(BCS)のもの。それを丹羽さん(SCA)と一緒に高いタワー(?)にひっつけました。と言いつつ私は眺めていただけですが…ハイ。タワー(?)からの見晴らしがものすごく綺麗で、移動はなくてお弁当でもかかえて来るにも良い所だと思いました。
P21

というところでANTも上がり、QSO開始。最初のOPはJKS。さすがにうまいOPです。うん羨ましい。私も代わってもらいましたが、なかなかコールが取れなくて皆さんにご迷惑をおかけしました。やっぱり皆さんうまい人ばかりだし、ホントにドキドキしつつのOPでした。
けれど…homeと違ってたくさん聞こえるっていうのは、ものすごく嬉しかったです。エリアで言えば1エリア。いっぱいできました。皆さん、下手なOPに合わせてくれてホントに嬉しかったです。何度もOPchangeをしながら約3時間弱もOPをやらせてもらって119局もできました。すごいすごいと自分のlogを見ながら1人でにっこりしてました(不気味カナ?)。ホントに何にもできなくて、お荷物で行ってきた移動でしたが、とっても楽しかったです。
homeからは10Wを出すとまだしっかりTVIが出ますので、ぼそぼそと1Wでしか出てませんので、また移動etcにお出かけのときは一言お誘いください。あんまり上手でもないお手製のお菓子でもかかえて出かけていきますので…
それから、homeへはそろそろこの日のカードが届いているのですが…近頃JARL NEWSが届かなかったりetcでJARLから見捨てられてるようですので、もしかして私のカードがあんまり長い間届かなかったときにはお手数ですがご連絡してください…お願いします!(たぶん大丈夫だと思いますが…)
さてさて…きたない字でどうもすみませんでした。どうもこういうことをしたことがなくて、何を書いたらいいのか分からなくって。文章になってなかったりもします。ゴメんなさい。ほとんど日記(?)の世界でした。ハイ…

by JJ2RHY 新明子こと明chanでした…

P22

高山市移動

 天は我々を見放したかのごとく、真黒な雨雲が大粒の雨を地面にたたきつけていた。
 岐阜の山奥深く名古屋から離れること北へ150km、幾多の山々に阻まれた飛騨ゆかりの地
高山--1985年9月7日朝7時、JF2ICB、JG2BCSはNAG高山遠征隊第一陣として雨天をついて名古屋を出発した。
 雨はその後さらにひどくなり、彼らの安否を気遣った我々第二陣(JF2AUM、PFO、JG2CAU)は、予定を早めて11時、彼らの後を追った。一刻も早く高山に辿りつこうと、道路の黄線をものともせずカリーナ号とコロナ号はデッドヒートを繰り広げ、一路41号線を北へ北へ…そして午後3時、高山に着いた我々をまっていたのは、先行グループからのショッキングな知らせであった。
 第1ポイント源氏山は高山市の南西に位置し、標高の高さもさることながら、第2、第3ポイントとは違って1エリア方向が乗鞍岳にぶつからず、さらには山頂付近まで道が続いていることが地図で確認されていたのだが、先行隊が登ったところ、ひどいでこぼこ道で、終点からあと10m登れば1エリアに対して絶好のロケーションとなるものの、その10mを登れないため断念。第2ポイント日影平は予想どおり乗鞍岳に近すぎて不可、ということであった。特に第1ポイントに関して十分な自信を持っていただけに落胆も大きかったが、すでに日も傾きかけており、ぐずぐずはしてはおられず、合流した我々NAG一行は次なる第3ポイント見測山へ向かった。ところがこれが25,000分の1地図にも載っていないような山道で、折からの雨で車の腹をすりながらも思うように進めず、道半ばにして諦めざるをえなかったのである。とは言っても、道が道だけにU(ウニ)ターンすることもできず、バックで山を下りたのであった。
 ここにおいて我々は重大な岐路に立たされたのである。1)新たなポイントを探す、2)第2ポイントで乗鞍に電波をぶつける、3)市内の盆地でお茶を濁す--我々は苦悩のあげく、地元局JA2FSMに相談したところ、「市の北東に上野平という高原があるよ」と教えられ、一縷の望みを託して車を走らせた。
 が、そこはとても“高原”といえるような場所ではなく、単なる“台地”であったものの、とりあえずそこを運用地点とし、道端の広場に車を止めた。その場所はスクールバスの転回場で、なんと待合室用に使い古しのワゴン車が置いてあったため、格好のシャック(雀荘?)を設営することができた。
P24

 すでに日は沈み辺りは薄暗く、車のヘッドライトを頼りにして9ELを上げ始めたのが18時。そして19時24分、ついに珍市高山の運用開始。BCSが50.220MHzで“VVV…”と打ったところ、いきなりJO1ALSから応答。その後SSBでJQ1AHE、JO1ALS、JP1GID…と続く。さすがに珍市とはいえロケが悪いだけに。いつものようには呼ばれない。また、このときすでにAUM、PFO、CAUが嫌がるICBを引きずり込み、シャックの後ろで雀卓を囲み始めていたのは言うまでもない。
 20時4分までの30分で31局にサービスしたところで、リグのメーターの振れが異常なことに気づく。リニア(2SC2879PP)の蓋を開けてみると、コネクタと同軸のハンダ付けが外れそうになっていたが、直しようがなく、先のJA2FSM局のシャックにお邪魔して修理させてもらう。この間、約1時間QRX。リニアが不調なだけなのだから551単体で運用すればいいのに、と思う人をいるかもしれないが、賢明な読者諸君には、残された3人がその1時間、何をしていたか容易に推察されることであろう。
 リニアの修理も終わり、21時17分からQRV再開したところ、対面の家のおじさんがトマトを箱一杯もってきてくれた。「広場で無線をやる」とは挨拶したものの、“麻雀”とは言ってなかったため、唖然としていたようであるが、トマトをかじりながらゲーム再開。21時50分、ICBにOP交代、BCSを加えて半チャン開始。結果はAUMの大勝!
 0時過ぎ、トマトを肴に宴会開始、運用地探しに奔走したICB、BCSをねぎらう。0時30分、寝てしまった4人を尻目に、ほろ酔い加減の私はCQを連発したのであるが、30分間誰からも呼ばれず(呼ばれても酔っていて分からなかった?)、0時59分、ついに2エリアと1局交信したものの、その後もまるで呼ばれず、1時30分QRT。
P23

 次の日は昨日とは打って変わった好天の下、CAUが7時から運用開始、AUM、PFO、BCSとともに100局余にサービス、そして10時30分、JE1RKXを最後にNAG高山市移動はQRTした。
 総交信局数200局、うち1エリア165局83%。確かに数の上では少ないものの、“高山”という場所を考えれば納得のいく結果であった。上機嫌の我々は11時撤収完了、続いて乗鞍スカイラインを攻めた。初秋の乗鞍はすでに肌寒かったが、“高山移動”という大役を成し遂げた我々には、肌を刺す寒風ももはや心地よかった(マゾちゃいまんねん、NAGでんねん)。そして長野県側に下りた我々は野麦峠、19号線を経由して名古屋へ向かった。デッドヒートを繰り返す我々の前には、真っ赤な夕日が空を染めていた。さも我々の帰りを待ち焦がれているかのように…そして今--
 我々の前に悠然と立ちはだかり、幾多の1エリアの強力局を遮った北アルプスの山々--その姿も今となっては美しい思い出…いまいちど過去の自分に身を委ね、過ぎ去った思い出をたどりつつ、あの高山に思いをはせて…

by JF2PFO

滋賀県移動記

 はるばる名古屋から西へ200km、近いようでけっこう遠かった滋賀県。やはり滋賀県に向かうメンバーはNAG5人組と1人のYL。たくさんの局とQSOできるか不安であった。
 1エリアまで飛ばす…これが我々の使命である。1エリアまで飛ばせば必ずパイルアップは間違いなし。そのかすかな思いを持って我々グループ250、グループ500は一路滋賀へ。

《グループ250 近江八幡市編》 by JF2ICB

【1985年11月16日】
 「滋賀県ってほかほか弁当あるかな?いやないかもしれんな。買っていった方が無難だよ。なかったらズギャンだもん。酒屋ぐらいはあると思うけど…」
 へんな心配をしながら(滋賀県の人ごめんなさい)、グループ250の3名(JG2CAU・JI2OEU・JF2ICB)は一路名神高速道路を西へ突っ走るのであった。栗東インターで高速を降り、2日目の移動地守山市の運用地点を下見した後、近江八幡市の長寿山(333m)へ向かった。国土地理院の地図どおり山の入口を発見しずんずん登って行き、山頂から少し下りたところにある駐車場に到着した。さっそく方位磁針を取り出し、方角を確かめた。
 「え~こっちが1エリア?」それが山の斜面の方角だった。こりゃーだめだ。西方向は琵琶湖が丸見えでバリバリなのに。おちこもー。仕方なくせっかく上った山を下りはじめた。「次どこ行く?まあ、琵琶湖のほとりしかないんじゃない?」我々は琵琶湖沿いの道をずんずんずんずん走った。そして1エリア方向に山がない湖岸にたどりつき(途中田んぼに突っ込み苦労した)ここで妥協した。そこでアンテナを建てようとしたところ、「お~こりゃ~いい。使わせてもらおう、うんうん」それは水門みたいなもので地上高3mほどあり上部はステージみたいになっていて、おまけに丈夫な柵が付いていた(水資源の人ごめんなさい)。さっそく6エレを13mHの高さに上げ、リグをセッティング。スイッチON。かんぺき。どれどれ聞こえるかな?ムム~なーんも聞こえん。どっかおかしいのかな?それとも滋賀県ってこんなところかな?そうだ。50.145MHzは?あっ聞こえる。BCSだ。予定どおりやってるみたいだ。意外にもすごいパイルだ。よし、こっちも開始だ。NAGの大将CAUがSSBでCQを出す。
 17:49 JR1GMK
       JF1KKT
 17:50 JM1WIN
         :
 すごいパイルだ。BIGステーションからピックアップされていく。続いて当局JF2ICBがCWでCQを出す。ひぇ~RITをくるくる回すとピーピコピーピコ一体何局読んでくれているのかな。
 18:24 JQ1BSQ
       JR1GMK
 18:25 JA1MVK
       JF1KKT
         :
 手が冷たくかじかんで、うまく打てんよ~そこでこの移動で大活躍したカセットコンロで暖を取る。なういでしょう。SSBでもCQを出し、次々に呼ばれる。

P26

 その後、JI2OEU三浦さん(YLだよん)もオペレートし、結局3人で202QSOし終了。予定外の成果で一安心。凍える寒さの中をアンテナをたたむ。箱根の山に移動した人ごくろうさん。大田区移動、強かったよー。呼んでくれた皆さんどうもありがとう。無視された人、ごめんなさい。
 読者のみなさん、この後我々はどうしたと思いますか。なんと、お茶会をしたのです。それもグループ500と合体して。明るいでしょう。
 そして、グループ500のルンルン3人組と別れ、次の運用予定地である守山市を目指すのであった。

《グループ250 守山市編》 by JG2CAU

 グループ500と別れを告げて次に向かうのは守山市。琵琶湖の南東部にあたり、海抜は0mに近い。守山市の運用地点はあらかじめ下見をしておいたので、道に迷わずに辿りつけた。
 東の方向は湖。今はやりの水面(湖面)反射を利用してみよう。前の運用地点(近江八幡市)もこれを利用して大成功。
 期待はとても大きい。しかし守山市は滋賀県でもかなり西に寄っている。距離的には1エリアまで450kmは楽にある。不安なことも考えながら守山市の運用地点に到着した。すでに時計は1時を回っていた。ここで一夜を明かすことにし、荷物を全て出して寝る準備…
 用意万端。でも毛布だけでは寒い。ここで活躍したのは“ICBコンロ”である(これは携帯式コンロである)。それと“ワンカップ大関”である。この2つがあればとても暖かく寝ることができFBでしたヨ!おやすみなさい。

【1985年11月17日】

 朝5時40分、ICB、CAUはほぼ同時に目を覚ました。外はとても寒い。寒い寒いと言っていても誰もやってくれない。寒さの中、まずお茶を沸かし、朝食のカップヌードルのお湯…カップヌードルを食べた後、毛布etcの片付け。時計の針は7時少し前を指している。
 さて腹ごしらえは完璧である。とうとう運用の準備である。まずアンテナ。ここにも水資源の水門があり、利用させてもらった。手順よくやり、10分あまりでアンテナ建てはでき、次はシャックづくり、電源の準備(2.8kWの発々)etc…。
 予定どおり8時ちょっと前から運用開始。CAUが50.220MHzで“CQ CQ こちらはJG2CAU/3滋賀県守山市移動…CQ and st.-by”
 その瞬間、スピーカーからは1エリアの猛パイル。7:41 JQ1BSQ、7:41 JK1TNN/1…次から次へと…1分間に3~4局のペース。
 10分もしないうちに、ノイズレベルぎりぎりのパイルアップになった。たくさんの局が呼んでいるのは十分わかる。ピックアップするのもとても困難であった。そのうえ自分たちで作ったコールサインも少なくなかった。TT?なかJP1TTLとか、?VZならJP1AVZという感じ。
 運用を始めてから約1時間でCWにMode Chabge.OPhaJF2ICB。“-・-・ --・- -・・ ・ …… -・-”
P33

8:34 JG1TSGから始まりJA1MVK、JM1SZY…CWのパイルはSSB以上の迫力がある。±2kHzぐらいはピーピー言いっぱなし。QSBを伴っているので、スピードの速いCWは非常に取りにくかった。我々に運用地に3エリアから4局(JI3EBX、JJ3LSQ、NQQ、SFA)が遊びに来て花を添えた。JI2OEU(YL)三浦さんも頑張って3エリアを中心としてサービスした。守山市での交信エリアは1、2、3、4、5、9、0で176局とQSOできました。
 1エリアからの距離が450kmもあるのに、この距離を感じさせないほど強かったのがJR1GMK、平さんである。グループ500、グループ250のメンバー誰に言わせてもそう言う。とりあえずダントツに強かった。以上守山市編終わり。

 無事、滋賀県移動を終えたNAG各局は14時過ぎ近江八幡市内の“さと”で食事会。各局はとても満足そうであった。
 予想外のパイルアップ。かなり耳が悪かったに違いない。しかし滋賀県からの電波を聞けただけでもありがたいと思ってほしい。できなかった人、ごめんなさい。
 我々はたくさんの思い出を作りだしてくれた滋賀県を後に、一路名古屋へ足を運んだのである。

《グループ500編》 by JF2AUM

【1985年某月某日】(記録がないため不明。10月29日という説が有力)

 夜、CAU卓にてNAGメンバーの大部分が集合した。この日、ICB・CAUの早起きコンビを中心とするグループが近江八幡・守山、PFO・BCS・AUMの遅起きトリオを中心とするグループが長浜・八日市より運用することに決定した。すでに国土地理院発行の地図も準備されており、具体的な移動地点についての検討も行われた。

【11月16日】

 いよいよ滋賀県移動当日となる。12時頃名古屋を出て夕方から長浜より運用開始の予定である。午前中とPFOとAUMは学校の研究室対抗ソフトボール大会に参加、他のメンバーは買い物その他の準備をする。グループ250ことICB・CAU・OEUは一足先に出発し、PFOとAUMもソフトボール終了後BCSとともに出発する。途中デニーズで昼食を取り、国道をひた走り滋賀県へ向かう。走りながら地図を見て移動地点を相談するが、やはり頼りになるのは水面反射ということで意見は一致する。ところが長浜氏は琵琶湖の北東に位置し、1エリア方向には湖はなく、唯一1エリア方向に水面があるのは湖に突き出た埠頭のようなところのみである。そこで最終目的地点を長浜港に絞って、長浜の南側から侵入することにする。
 長浜市に入り運用可能地点を捜しながら湖沿いに北上するが、めぼしい所がないまま港まで来てしまう。運よく埠頭の突端まで車で行けそうで、突端近くで方向確認の結果、“完璧!”ということで運用地点を決定する。アンテナを建て、シャックを作り、いよいよ運用開始。予定時間の17時にはまだ間がある。グループ250はまだ運用を開始していないようだ。ワッチしてみるがあまり芳しくない。本当に飛ぶのか不安になる。
 準備も完了したところで、PFOとAUMはソフトボールでかいた汗を流すべく、風呂へ入りに行く。職業別電話帳で調べた住所と地図を頼りに銭湯に付きものの煙突を探すが、晩秋の日は早くも暮れかかり、捜索は困難を極める。市街地をうろうろ10kmあまり走って、銭湯を発見したのは17時半近くである。その後食事をして運用地点へ戻ってみると、もう辺りは真っ暗だというのにBCSの載っている車には明かりもついていないようである。この時期にして、いつもより1エリアから遠いのである。あのBCSをもってしても諦めて寝てしまったのかと思った。
 しかし、さらに近づくとルームランプが細々とついていて、中ではBCSがマイクを持っているのが見える。そしてシャックとなっている車のドアを開けると……1エリアの大パイルだ! 1人で運用していたBCSの頭は半分発散しているようで、3人で一緒に聞き始める。やはりQSBの谷は深く、信号は弱い。3人で同じ局を聞いていながら3人とも違うコールとコピーしたり、サフィックスの一部分からコール全体を推定したり、苦労しながらもQSOは進んでいく。BCS→PFO→AUMとオペレーターが替わり、時間が過ぎていくにしたがって、小波はあるもののコンディションはだんだんと落ちていくような感じである。グループ250とも連絡を取りながら22時頃、長浜の運用をおわる。すぐに撤収し、明日の朝のコンディションの良い時間帯に八日市からQRVできるよう長浜を後にする。
 湖沿いに南下していき、近江八幡に入るがグループ250とは連絡が取れず、八日市へ向かうことにする。しかし、周囲は真っ暗、信号まるでなし、道はほとんど分岐なしで、一時はほとんど完全に迷ってしまったが、なんとか無事八日市の方へ行くことができた(このとき役立ったのが昼間もらったデニーズマップ!)。八日市に入ったところでグループ250と連絡が取れ、お互いに逆戻りして近江八幡で会うことにする。ファミリーレストラン“さと”でほぼ12時間ぶりに再会する。両グループともまずまずの成功であることを祝い、八日市の移動ポイントを相談する。長浜での成功に気を良くして、明日も水面反射でといきたいところだが、あいにく八日市は内陸部(?)にあり、高い所で車で登れそうなところもほろんどない。1か所だけ車で行けるかもしれない高台(山の東側斜面)と、(やはり水面反射に固執して)小さな池のほとり2か所の計3か所に的を絞って解散する。
 再び八日市に入り、運用地を捜す。まず唯一の高台は登る道がひどく、普通の乗用車ではとても無理と断念。次に1つ目の池も付近に車を止めてアンテナを建てられるようなところもない。やはり高い場所から運用したいということで、第一候補の高台の南斜面から登る道に望みを託して登ってみる。行ってみると山のあちこちに寺が散在しており、それぞれの寺を結ぶ細い道がある。さらに登っていくと、さきほど断念した道と思われる道と合流してさらに山の東側へ、そして上へ登って行く! 道の終点まで来ると、そこは寺の前の空き地(駐車場?)で、東側を見ると足元に八日市の街の明かりがまたたいて見える。“ここしかない”と3人の意見は一致し、ここで寝ることにする。明日が楽しみとニヤニヤしながら乾杯して眠りにつく。

【11月17日】

 NAGを代表する早起きを苦手とする3人の集まったグループ500には早朝の運用は不可能と両グループのメンバーは思っていたが、BCSに起こされたのは何と6時台で、PFOとAUMはもう少し後からにしようと言うが、BCSに押されて設営を開始する。11月の早朝はさすがに寒く、AUMに至っては手袋を着用して作業をする。準備が完了した時点でAUMは再び眠ってしまい、八日市での大パイルは聞けなかったが、やはり予想どおり飛びはVY FB!だったようである。ともかくAUMが再び目を覚ましたのは10時過ぎで、起きてみるとすでに第一段のパイルは終了していた。グループ250と連絡を取り、12時頃まで運用することにし、昨日と同様に快調(?)にQSOを続ける。12時50分、PFOのアナウンスをもって運用を修了する。撤収し再び“さと”でグループ250と3エリアから遊びに来てくれた各局とお茶会をする。皆で大成功を祝い、3エリアの方々と再会を約束し滋賀県移動の幕は閉じた。
 NAG史上に残るであろう大移動も無事成功、終了し帰りの車中で見た綺麗な虹が大変印象的だった。足柄下郡、大田区へわざわざ移動してくれた方々をはじめとする、QSOしていただいた全ての局に感謝します。また、コールしてもQSOに至らなかった方も、これに懲りずまた呼んでください。
VY TKS & CU AGN on 50MHz!

P32

滋賀県移動の結果

       グループ500         グループ250

メンバー JF2AUM            JF2ICB
       JF2PFO            JG2CAU
       JG2BCS            JI2OEU

運用地  ①11月16日 長浜市     ①近江八幡市
       ②11月17日 八日市市   ②守山市

リグ    FT625D+リニア       IC551+リニア

アンテナ 10mH.6EL          13mH.6EL

交信局数 ①307局            ①202局
       ②330局            ②176局

総交信局数 1,015局

P34

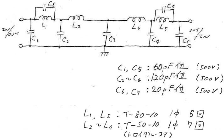
NAG テクニカル・ノート

 「'85 NAG移動の全て」で昨年のNAGが如何にアクティブに移動を繰り返していたかがお分かりいただけたと思います。また、周知のとおり、NAGメンバーは固定においても名古屋の制空権を握っています。このようなNAGの実力の秘密は、その高い技術力に基づいているのです。
 単に飛ばすだけなら、リニアを買って来ればよいのです。しかし、そのような局が“つんぼ”のレッテルを貼られ、皆から下げすまれている現状の中にあってNAGは常により良い耳を目指して努力しているのです。また、QROに伴うTVIも6mマンを目指す人々にとっては大きな関門です。
 このような数々の問題に取り組むNAGのテクニックの一部をここでお教えしましょう。

誰でもできる超高性能プリアンプの製作
                              by JF2PFO

 私は移動好きのNAGの中にあって、一風変わった“コンテスト大好き少年”です。コンテストで優勝するために高い山へ登れば登るほど、受信機の相互変調、混変調特性の問題が表面化してきます。一般に“HF機にTRVをつなげば混変調に強くなる”と言いますが、現段階では市販のTRV(FTV107等)ではTS-930に代表される高級HF機の性能を生かしきることはできません。
 そこで真に6mのトップを目指すのなら、親機にふさわしいTRVを自作することが必要になってきます。私は高性能な親機を持っていませんので、ここではRFアンプ部だけを作ってみました。

P35

 電源としてはアイドリング電流を200~400mA流したとき、少なくとも20V以上の電圧が確保できるものが必要です。私は20Wほどのトランスに簡単なリップルフィルタをつけています。25V400mAで動作させていますので、常時10Wもの電力を食っており、これを放熱するため50W級のリニアと同等な放熱板に基板ごと取り付けています。VMP-1は1,650円、他の部品を合わせても3~4,000円でできます。6mにおいて有名なU-310、2SK125等のプリアンプと比べて3次IMDは2~30dB、ゲインも数dBは優り、比べ物にならないほどの高性能です。
 ただ、市販の6mのリグでこのプリアンプの性能を受け切れるものがないため、出力にATTを入れなければならず、情けないことこの上ありません。早く930がほしいよー。 おわり。

P36

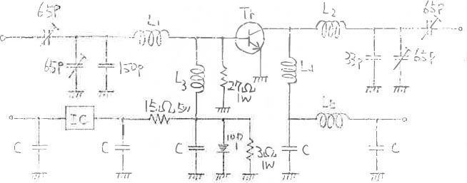
リニアアンプリファイアーをつくろう  JG2HPG

 「移動へ行けば必ず聞こえる」「どんな場所からも必ず飛ばす」と言われいているNAGの移動。私は1年間この移動に参加できたことを非常にうれしく思っています。といっても全ての移動に参加したわけではないのです。苦学生の私としては、移動のある土日には必ずアルバイトのスケジュールが絡み、最初から最後まで移動地にいたことはなかったのです。私本人は中途半端なことを繰り返していましたが、私の分身ともいえるリニアは、私の替わりによく働いてくれたと思います。
 リニアアンプリファイアー(以後はリニアという)というと、すぐに思いつくのがトランジスタによるシングルのものです。強いNAGは移動するだけではないのです。ただ飛ばすだけではないのです。しっかり技術も研究しているのです。それがリニアなのです。どんな場所からでも飛ばすNAGはシングルなんてものは使いません。余りにも非力です。
 それではどんなものを使うのか。それは今から紹介したいと思います。ただすこれから紹介するものは、移動時におけるNAGの終段出力ではありません。それではトランジスタの基本、シングルの回路から。

P37

 トランジスタの入力インピーダンスは入力電力によって0.数Ωから数Ωまで変化します。50Ωからいちどにそれぐらいの値に変換しようとするとQの高い回路がいり、必然的に帯域も狭くなります。上の回路がそれです。上の回路では50.2MHzで調整を取ると51.0MHzではもう入力のSWRは2をはるかに越えて使えません。4MHzもある50MHz帯、せっかくあるのだから4MHzフルカバーするものがほしいところです。50.2MHz前後しかオレは使わないというなら構いません。が、ここはひとつ欲を出してみましょう。次の回路は4MHzフルカバーとはいきませんが、52MHz帯(52.8MHzぐらい)でも十分に入力のSWRが低い回路です。トランスを使っているのがミソです。

P38-1

 TはQを下げるためのトランス。Dはバイアス安定化のための温度補償用です。Trと熱的にシリコングリスを縫って結合させます。R1はフブリーダー抵抗です。値が小さすぎると利得が低下し、大きすぎると発振しやすくなります。R2はアイドリング調整用15~20Ωで要調整です。Tは4:1のインピーダンス変換を行うものです。TVのバランに使用されているメガネコアを2個重ねます。巻く線は0.8mmぐらいがよいと思います。
 さきほどNAGはシングルなんてものは使わないと言いました。しかしシングルは基本なのでよく覚えておいてください。
 「並列運転」を知っていますか。同一の回路を2つ作り結合させるのです。シングルの回路を2個並べることによって、出力は確実に倍になります。シングルのリニアの出力を絞り出して「○○W出た」とバカなことは言わずに、それだけの入力をする余裕があるのなら、もうひとつ同じ回路を作って結合させてみましょう。同じ入力でもシングルで絞り出しているときより出力は上がり、しかもいい音で余裕をもって使えます。
 ではどうやって2つの回路をひとつにするのか。ハイブリッドを使うのです。ハイブリッドは信号の分配と合成を行います。分配器として同左するときはパワースプリッター、合成器のときはパワーコンバイナーと呼ばれます。回路図を示します。

P38-2

 シングルの回路を2つ着くってハイブリッドを前後につないでやれば、並列運転アンプの出来上がりです。この手を使えば、4倍でも8倍でも結合が可能です。
 でもせっかくトランジスタを2個使うなら、もうひとつステップアップしましょう。プッシュプルを作ってみましょう。電力結合の回路より簡単明瞭で、部品点数も少なく、基板も小さくすることができます。回路図を示します。

P39-1

 要するにP39-2
こういう入力を



P39-3


P39-4に分割し、


上側半分を片方のトランジスタ、下側半分をもう片方のトランジスタで増幅するというもので、片方のトランジスタが働いているときはもう片方は休んでいることになります。もうひとつ得なことは、偶数次の歪が小さいという点があり、50MHz帯の場合、2倍がちょうどTVの2ch、3chに当たり、この回路とLPFとの組み合わせで有利に2倍の高調波が除けます。プッシュプルは2つのトランジスタを使ってひとつの回路を形成しています。そこで先ほどの応用です。またまたハイブリッドの登場です。もう言わなくても分かると思います。そう、あなたの考えたとおりです。
 上記の回路における製作上の注意。出力のトランスに入っているコンデンサ(トリマー)は十分に電流容量をとってください。600pFのマイカトリマーは180Wの連続送信のとき煙を吹きました。コンデンサーを数個スタックにするとよいと思います。みてのとおり単純なものです。あなたもこれを作ってTOP DXerを狙ってみてはいかがでしょう。リニアは私のLife Workです。

50MHz帯ローパスフィルターについて  JF2PYZ

 6mは近くにTVのIF妨害や第2次高調波で2chに妨害を与えやすいバンドなので、これらを少しでも軽減するために、ローパスフィルターを製作してみました。
 今回はあまり時間がなかったので、ある本に載っていたものの応用を紹介します。

P40

 私はりん青銅板にガラスエポキシ基板を1cm角に切ったものをランドとして製作しました。100Wぐらいまでは耐えるみたいで、仕様の際はANTのVSWRを1.5以下にしてください。簡単なものですから、みなさんもぜひ作ってみてください。乱筆、乱文をお許しください。73!

6mマンに対する2m QSOの対応法

                     JG2BVO 笠井 重一

NAG-6mのアクティブ(変態?)グループというイメージがありますが、NAGの中では私のように2mを主として6mにあまり出ない人間もいます。今回は6mマンに向けにIntroduction to 2mを各モードに着いて解説したいと思っています。

1. 2mの傾向に着いての概論

 2mあ一口に言えないほど、多様な楽しみ方があり、また、6mの半分の2MHzというバンド幅にもかかわらず多くの局がひしめいております。そして各局サンとも、この2MHzを最大限に使用している現状にあります。
 ご存知のとおり2mバンドは144.000MHzから146.000MHzの2MHzの周波数帯をいいます。この2MHzを下から順に解説していきたいと思っています。

2. CBの縮図を見る-

 2mでは144.000~144.060までは、おもに2mのチャンネル争いで敗れた人生の敗北者、既存の2m FM QSOに飽きた方々のユニークなFM変調が聞こえてきます。中には怖そうなおじさんもいますが、彼らは我々が移動先で6mのオペレート待ちをしているときには、最も手軽な遊び相手になってくれます。しかし一歩間違うと(からかっている場所が判明してしまうと)非常に怖い目に逢いますので、それならいのスリルがあります。
 彼らは元CBの方も大勢いらっしゃるみたいなので、CB界でしか聞けないようなFBック(F-Big)なオペレート方法を味割ることができます。また、NAGチャンネルでも聞けないような品の下ったお話もできると思いますので、6m移動時には2mFM機でもいいから一緒に持って行きましょう。そしてあなたにとって別の世界を発見してほしいものです。

3. CWマニアのために-

 144.060~144.100MHzは国内のCWがたいへんよく聞こえます。ただし彼らのCWは欧文よりも和文が好きなため、その内容はほとんど暗号に近く、エレキーを使って何時間でも続きます。天気のこと、家の犬のこと、またあるときはモービルでどこどこを走っているなどと延々と行っているのであります。そのオペレートテクニックは、かのJR2GMCをして舌をまかせたものであります(氏は呆れかえっていた!)。
 かく言う私も'84全市全郡コンテストで一人暗くCWを打っていましたところ、いきなり和文QSOに巻き込まれた経験を持つ者であります。彼らにとって和文を知っているのが当たり前で、QSLカードやコンテストは二の次以下であり、知っている欧文符号は自分のコールサインだけで、相手のコールはひとまず和文でコピーし(例 JG2BVOはヲリ2ハクレ)、後日、表を見て変換するみたいです。
 私個人はコンテストで24時間叫ぶような好き者ではありませんので、なるべく2mのCWなどレベルの低いものをいい加減に(できれば1位がいいですね)するのですが、ある時はコールも打たず「デンパがキタナイデスヨ」と打ってくださるのです。関VではCQを出していたら2エリアの人が打ってきて「イマカンサイVHFコンテストデス」と説明したこともありました。
 また、私のようなセコイ考えでコンテスト入賞を狙う人がいつもいて、コンテストでは毎回そのような方々とQSOすることになります。こうして、私は彼らとのコミュニケーションをしているのです。
 2mの全人口からみると、欧文CW人口は極めて少ないため、移動の際は電鍵は持っていかなくてもよいでしょう。これが私からの提言であります。

4. SSBバンドはカンゲキの連続だ!

 さすがにSSBは2mの花…ともいわれるほど、多くの局長さんが毎日おかせぎになっておられます。SSB各局は、144.100MHzから144.295MHzに散らばっておりますが、その種類は4層の構造をなしております。ここではその4層全てについて解説を加えたいと思います。

a) 疾風どとぉーの如しDXer(144.100~144.130MHz)

 この層にいらっしゃるSSBerの人々は、根っからのDXerであります。Opテクニックはいまいちですが、その装備は目を見張るものであります。彼らは20~30mのタワーに4パラ(八木を4本スタックにしたもの)をもしh、リニアはHF並みのものを持っているそうです。また年に似合わず新しいもの好きで、アンテナを水平にしたりその年の最新リグを能力限界に引き出し、ALCレベルギリギリの(それ以上)電波を出しております。
 彼らのQSOは主にパチDEデート方式であり、彼らの特徴は「送ってェ~」「よぬーいち」「センターさん」等の言葉から容易に判別できます。
 また彼らの一部は、自己のポテンシャルに限界を感じ、隠れDXerとして隠居してしまう者さえいます。どちらにしても家族の協力がなければこんなバカなことはできないので、一族郎党に無理やり免許を取らせているみたいです。この結果、YL(どは言えんが)ハムの比率はここ数年他国では見られない増加を見せているのです。

b) 永久ビギナー(いわゆるイモオペ)の宝庫(144.130~144.210MHz)

 普通のハムは、この辺を根城としております。私もa)のようなところには滅多に出ません。6mマンはここでCQでも出していれば無難でしょう。しかし油断はできません。彼らの得意技は次の3つです。

① 法令に沿った正しい運用法
 すなわち、CQに対して何局もが「相手局のコールサイン3回以下 こちらは 自局のコールサイン3回以下」を正しく守るのです。この結果、自分の出したCQに対して自分のコールだけでパイルアップになるのです。これはJF2AUMさんが非常にビビっておられました。「わぁっ自分が呼んでるぅ~」

② ①とは逆にコールサインが全く返ってこないことがあります。しかし、パイルにはなっているのです。これは2mの人種による徳性よりも、「富田林よりよろしくぅ~」「名古屋からどーぞー」「京都北区からよろしく」と言った方が情報の欠落性が減少するからなのでしょう。この方法から逃れるためには、無視するか自分でQSOしていない市を出してそこを指定してしまうかどちらかしかありません(筆者は前者を行っています)。

③ ああっダメ~魔の輪姦QSO
 ①②のユニークな各局さんのお声掛けに疲れてワッチに移ると、移動をしている局長さんがいます。当然コールするわけですが、QSOが無事済んでも安心しないでください。すかさず相手局が「もう1局待機していますからよろしく」と言って、別の局がいきなり出てきます。QSOして安心したら、また別の局が出てきてQSOに引きずり込まれます。ここまできたらあなたは身を天に任せて快楽の世界に浸ってください。タイトルの意味わかったでしょ?
 きっと彼らは、たまの休日、せっせと移動して1台の車の中で互いのJCC/Gリストを見ながらせっせとマイクをまわしているんでしょうなぁ。筆者は1回で5人にやられたことがあります。

①~③のユニークな方式によるQSOでも、2mはまだあなたの自由にはなってくれません。これだけやってもQSO効率は6mの1/4~1/5ぐらいなのですから。

C)SSBのラグチューバンド(144.210~144.295MHz)

 ここは、a)b)のQSOに限界を感じ悟りを開いた人々の集っているところです。何も言わずそっとしておいてやってください。

5.  スペシャライズドスポット 144.300MHz

 ここではFaxがよく出てますよ!

6. 広大なバンドには夢がある FM 144.320~146.000MHz(and UP)

 2mといえばFM、これはもうアマチュア無線をやっている人なら誰でも連想するのではないでしょうか。それほど2mというバンドはFM向きであり、その伝達に向いているのです。かく言う私も旅行したときには2mのFM機を持っていけば寂しい思いをしなくて済むと考えて、2mQRVというおぞましい行為を行ったのであります。
 たしかに人気過密なのはよいのですが、それはスラム街の様相を呈していると知ったとき、私の胸には“50k円返せ!”という思いが込み上げてきたのでした。
 私個人は2mFMは全く使いませんので、あくまでもその腐ったバンドからただよう臭気のみでこの文を作成しているので、お間違いのないようにしてほしいと思います。
 上にも書いたように2mFMは144.320~146.000MHz出ているわけですが、メインチャンネルは145.00であります。もし家のリグが全て壊れていて、手元に2mのハンドヘルドトランシーバーが1台しかなく、しかも以降2m意外出てはいけなくなった場合においてのみ、6mマンはここでCQを出すことが許されるのです。ここでCQに対して応答があった場合、当然あなたはサブチャンを捜しにいくのでありますが、ここで注意してほしいのは、サブチャンを捜すということは、他の家へ(一家へ)一宿一飯の恩を受けに行くと思え、ということであります。そこで以下のプロセスを踏まえる必要性が生じてくるのです。
 ①空いているチャンネルを探す
 ②「チャンネルチェック、この140ポイント○○お使いでしたら
  ブレークお願いいたします」と言う
 ③20秒待つ
 ④メインへ戻って相手を引っ張ってくる
 ⑤QSOする

 ここで注意しなければならない点が2つあります。ひとつは、QSO中は頻繁に自局のコールサインをアナウンスすることであり、もうひとつはQSOを10分以内にするということです。2mのFMチャンネルは便利なことに必ず誰かが聞いています。彼らは通商ワッチ局と呼ばれていて、チャンネルチェックから約10分間のQSOは許してくださるのですが、タイムアウトになると、こちらの存在を一向に無視して「○○○さん聞いてませんか?△△△」とかぶせて参ります。そして我々の文句を聞かずQSOらしきものを始めます。彼らは自分のチャンネルをフランチャイズ球場のように考えていますので、多少のトラブルはちょうど名古屋球場での中日ファンのように全く心配しておりません。その力を利用して、我々は強制的にタイムアウトされるわけです。
 また、この手のワッチ局のコールは往々にしてJHやJAからJRシリーズの方々が主で、定年後の楽しみとしている趣さえ感じられます。彼らは自己のコールの古さ(化石度という)を唯一の拠り所としています。彼らの世界ではコールの古さが絶対主義であり、有名度やアクティビティ、ライセンス等は一切通用しません。なぜならば、彼らはCQ誌雑誌をを読んでいないし(読んでも理解できないでしょう)、有名人はいないのです。このことを忘れていると、反撃を食らうのは必至です。たとえばコールを言わず延々長話をしたりしますと、彼らは数にものを言わせて必ずその発信源を見つけ出します。その能力は電監さえ及ばないものであると言われています。そしてその発信源を5台ぐらいのモービルが取り囲みます。あとはどうなるかお分かりかと思いますが、あるチャンネルでは、その方法で手にいれた最新式のリグで活動費を得ているということです。
 彼らはアマチュア無線がその1チャンネルしかなく、消息筋の語ったところによると、彼らは電監からそのチャンネルがスポットで与えられているとのことです。すなわちこのチャンネル以外はオフバンドとなるわけで、彼らは命をかけてそれを守っているのであります。
 しかし、このような彼らでも我々はひとつだけ学べる点があります。それは新人発掘能力であります。彼らは職場家庭を中心として、次々と仲間を増殖して、その勢力を拡大していくのであります。我々AIDSが現在19~25才に集中し、新人後継者の育成を怠っている面に対しての大いなる警告でありましょう。
 彼ら2mFM一家は帝国主義的見地に基づき、確実にその数を増殖しているのであります。その水虫にも似た拡大は、やがてその内部に大きな矛盾を生じてきます。彼らはそのFM一家のメンバーであるのに、その会長の名や顔を知らないとか、メンバー同士の名をお互いに知らないとかいった点であります。
 この矛盾を解決するために、彼らはやたらフィールドミーティングを行っているのです。しかしその内実は、カラオケや花見というおよそ無線とかけ離れた内容が主であります。なぜなら彼らは無線機に関する知識(主にスイッチとPTTの押し方)以外は無線に関して何も知らないし、知ろうともしないのです。しかし、写真はバッチリ撮ってCQ誌に出しているという一面もあります。
 しかし多少なりともその規模が拡大されてくると、今度はクラブ同士の問題が生じてきます。つまり同一周波数に2つのクラブが交わってしまうのです。その辺境地では衝突することがしばしば起きますが、彼らは化石度を基にしたり、人数でその問題を解決しています。

7. サテライトバンド その実像~  145.810~146.000MHz

 PhaseⅢBも何とか打ちあがり、AO-10として順調に動作しているため、2mで今もっともサテライトが注目を浴びているのではないでしょうか。サテライトと聞くと何か非常に難しいものに聞こえますが、その実態は簡単なものであります。しかし、いちばんネックとなるものはアリゲーター(これも困りますが)よりもスタティックノイズよりも、ペソジーよりも、何を隠そうFMのQRMであります。外国の局はJAが鬱陶しくなれば2mの偶数チャンネル以上に自分のダウンリンクを設定すればよいとさえ言っています。
 我々としては、FMの局のコールを暗くコピーして、しこしこと監査局に送ってやればよいのですが(ほとんど効果がない)、ある局はその陰湿さに目覚めてしまってサテライトそっちのけでその方向に走ってしまうので、十分気をつけなければなりません。また、監査委員はその報告に基づいてハガキを当該局に出すわけですが、効果はゼロに等しいようです。しかしJARL会費の中では最もマシな使われ方のひとつではないでしょうか。なお来年度はサテライトの移動運用もやってみたいと思っていますので、興味のある方は一報ください。

8. UPPER BAND その可能性  146~150MHz

 146MHz and UPは、あるマニアに言わせると、これが本当の2mだぜ、と言いきってきます。このバンドに出てくる主な局種は警察各局およびアンカバーの2種でありましょう。愛知県警の独特なイントネーションは当然のことながらCB界を意識したものですし、146MHzに出ているアンカバーは、古い時代に政治力で奪い取られた146~148MHzの返還を主張しているにほかなりません。どちらにしてものめり込むと自分がアマチュア無線家(6mマン)であることを忘れさせる危惧がありますので、乱用は慎みましょう。

9. 総 括

 以上のように2mの各論を展開してきたわけでありますが、最後に持論をもってきましょう。2mは、その多様な性質の他にもいろいろ楽しめるバンドであると思います。少数ですがEスポやMS、TEPもあります。GWでも移動すれば6エリアから7までは延びますし、5ele+50Wでもそこそこに楽しめると思います。オスカーではHFにないDX QSO Englishをふんだんに使えます。
 要は6mのみにかじりつかずに広く無線をしてみるのもいいのではないでしょうか。6mと2mは両方アクティブな方が少なく、新しい発見もできますし、6mの欠点も見つかると思います。
 また、2mに新しく進出することによって、6mの長所を2mに移動させることによって、2mが少しは救われると思います。食わず嫌いをせずに、新しい楽しみを見つけること、これが無線を長い続きさせ、自己革新を行う手段ではないでしょうか。
 追記 一部わかりにくい点があると思います。それはぜひとも無線の上で解決(言い訳)させていただきたいと思います。

このページのトップヘ